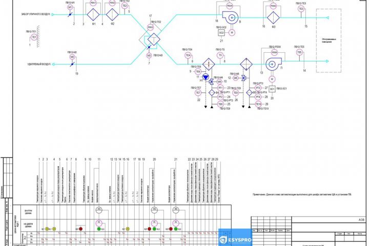
Функциональная схема автоматизации АОВ
Для полной функциональности этого сайта необходимо включить JavaScript.
Москва
Готов к новым интересным проектам
Олег Esyspro
esyspro
Рейтинг: 1 700
не верифицирован
Всего отзывов:
3
0
Выполнил заданий:
4
Нейросаммари
Работ в портфолио:
35
Типовых услуг:
1
Работ на продажу:
0
Возраст:
38 лет
Стаж работы:
15 лет
Зарегистрирован:
22.11.2018
Образование:
Магистратура
Юридический статус:
ИП
Был на сайте:
2026-05-19 в 22:41
8 995 505 01 68
inbox
telegram
whatsapp
esyspro.ru
Предложить работу
Добавить в избранное
Добавить рекомендацию
Пожаловаться
Инженерия
54
0
Функциональная схема автоматизации АОВ
Используемые навыки:
Слаботочные системы
Описание
Решение
Результат
Соавторы
Презентация проекта
Примеры реализации
Описание
Функциональная схема автоматизации АОВ
Презентация проекта
Оценили проект:
0
×
Оценили проект
×
Авторизация
Для того чтобы оценивать проекты, вам нужно войти на сайт
Другие проекты
Все проекты
Аксонометрия кондиционирования ИЖС
План наружных сетей электроснабжения и освещения
Аксонометрия отопления ИЖС
FREELANCE.RU
Toggle navigation
Нанять фрилансера
Заказчику
Каталог фрилансеров
Каталог PRO
Каталог студий
Каталог услуг
Каталог работ
Виртуальный HR
Умный поиск
Провести конкурс
Разместить задание
Найти работу
Найти задание
Присоединиться к команде
Участвовать в конкурсе
Предложить услугу
Вход
Разместить задание
▲