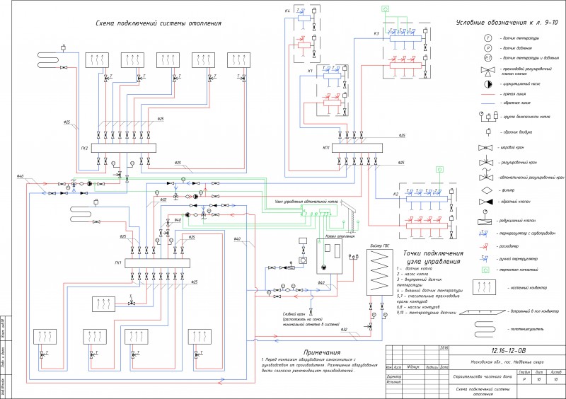
Пример схемы отопления частного дома
Для полной функциональности этого сайта необходимо включить JavaScript.
Санкт-Петербург
Александр Жихарев
zhihar42
Рейтинг: 224
не верифицирован
Всего отзывов:
7
0
Выполнил заданий:
7
Нейросаммари
Активность:
Работ в портфолио:
59
Типовых услуг:
0
Работ на продажу:
0
Зарегистрирован:
19.03.2015
Был на сайте:
2024-11-28 в 21:36
+79089595224
inbox
zhihar90@mail.ru
Предложить работу
Добавить в избранное
Добавить рекомендацию
Пожаловаться
Инженерия
47
0
Пример схемы отопления частного дома
Используемые навыки:
Теплоснабжение/Отопление/Вентиляция
Описание
Решение
Результат
Соавторы
Презентация проекта
Примеры реализации
Описание
Презентация проекта
Оценили проект:
0
×
Оценили проект
×
Авторизация
Для того чтобы оценивать проекты, вам нужно войти на сайт
Другие проекты
Все проекты
Свайное поле под дом на 6 квартир
План электроснабжения
Баня с террасой, архитектурный проект в 3D
FREELANCE.RU
Toggle navigation
Нанять фрилансера
Заказчику
Каталог фрилансеров
Каталог студий
Каталог услуг
Каталог работ
Виртуальный HR
Умный поиск
Провести конкурс
Разместить задание
Найти работу
Фрилансеру
Найти задание
Присоединиться к команде
Участвовать в конкурсе
Предложить услугу
Вход
Разместить задание
▲