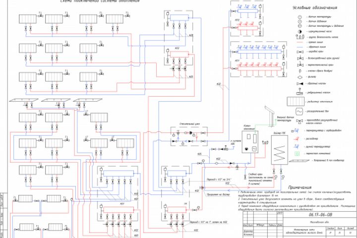
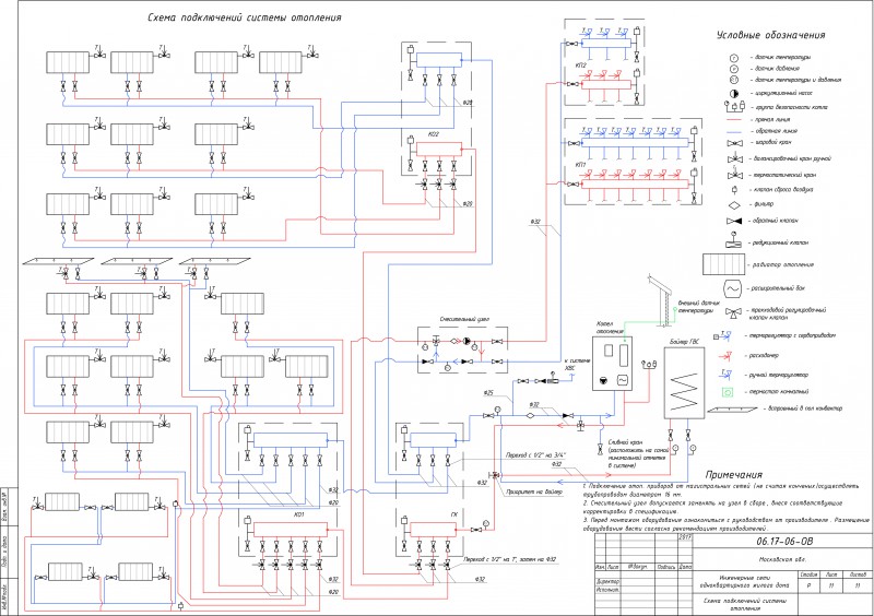
Обвязка котельной дома
Для полной функциональности этого сайта необходимо включить JavaScript.
Санкт-Петербург
Александр Жихарев
zhihar42
Рейтинг: 224
не верифицирован
Всего отзывов:
7
0
Выполнил заданий:
7
Нейросаммари
Активность:
Работ в портфолио:
59
Типовых услуг:
0
Работ на продажу:
0
Зарегистрирован:
19.03.2015
Был на сайте:
2024-11-28 в 21:36
+79089595224
Написать Александр Жихарев
zhihar90@mail.ru
Предложить работу
Добавить в избранное
Добавить рекомендацию
Пожаловаться
Инженерия
41
0
Обвязка котельной дома
Используемые навыки:
Теплоснабжение/Отопление/Вентиляция
Описание
Решение
Результат
Соавторы
Презентация проекта
Примеры реализации
Описание
Презентация проекта
Оценили проект:
0
×
Оценили проект
×
Авторизация
Для того чтобы оценивать проекты, вам нужно войти на сайт
Другие проекты
Все проекты
Отопление частного дома
Промышленный объект
Работа 2954063
FREELANCE.RU
Toggle navigation
Нанять фрилансера
Заказчику
Каталог фрилансеров
Каталог PRO
Каталог студий
Каталог услуг
Каталог работ
Виртуальный HR
Умный поиск
Провести конкурс
Разместить задание
Найти работу
Найти задание
Присоединиться к команде
Участвовать в конкурсе
Предложить услугу
Вход
Разместить задание
▲