Мысль опережает действие

Дмитрий Ивачев dmitryivac

Рейтинг: 127
Паспорт верифицирован
Всего отзывов: 6 0
Выполнил заданий: 8
  • Работ в портфолио: 27
  • Типовых услуг: 0
  • Работ на продажу: 0
  • Возраст: 52 года
  • Зарегистрирован: 17.05.2022
  • Юридический статус:Самозанятый
Был на сайте:

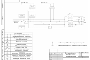
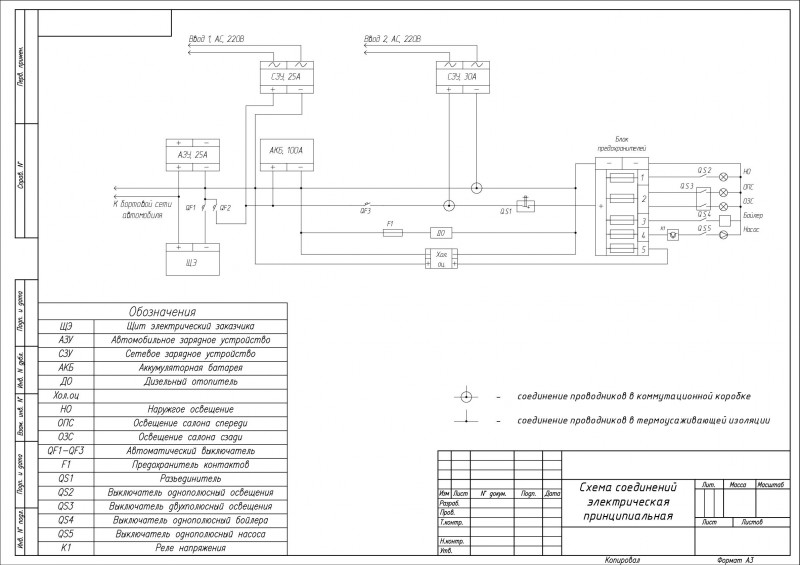
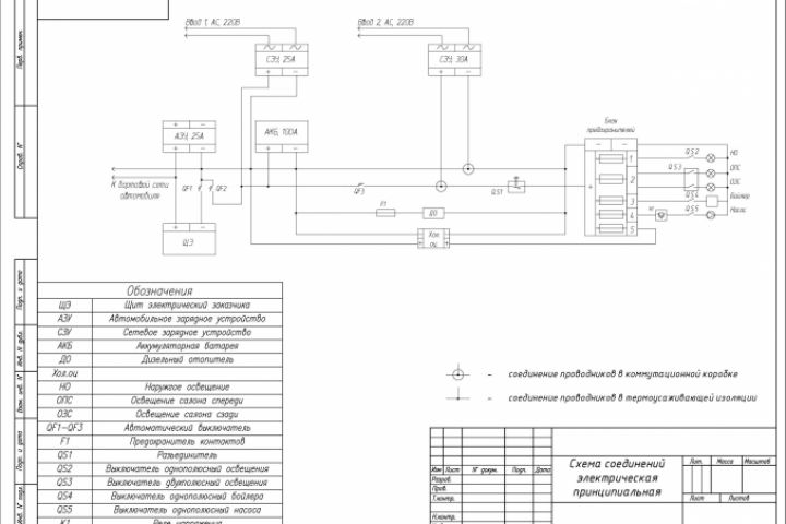
Схема заряда АКБ.

Используемые навыки:

Описание

Схема автоматической системы заряда автомобильного АКБ грузового автотранспорта от нескольких источников питания.

Презентация проекта

pic4297254.jpg

Оценили проект:

0