АР
Для полной функциональности этого сайта необходимо включить JavaScript.
Витебск
51 год
На сайте с: 20.02.2012
ИНДИВИДУАЛЬНОЕ ПРОЕКТИРОВАНИЕ
Архитектурная мастерская "Уральский терем"
tineo.vit
Рейтинг: 255
не верифицирован
Всего отзывов:
3
0
Выполнил заданий:
1
Опубликовал заданий:
9
Нейросаммари
Активность:
Работ в портфолио:
430
Типовых услуг:
2
Работ на продажу:
0
Был на сайте:
2024-12-05 в 11:33
Предложить работу
Добавить в избранное
Добавить рекомендацию
Пожаловаться
Инженерия
29
0
АР
Используемые навыки:
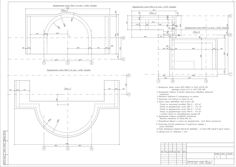
Чертежи/Схемы
Описание
Решение
Результат
Соавторы
Презентация проекта
Примеры реализации
Описание
Презентация проекта
Оценили проект:
0
×
Оценили проект
×
Авторизация
Для того чтобы оценивать проекты, вам нужно войти на сайт
Другие проекты
Все проекты
проект дома ДК-01.562
Типовой проект дома ДК-01.101.Р
Типовой проект дома ДК-01.98.Р
FREELANCE.RU
Toggle navigation
Нанять фрилансера
Заказчику
Найти по специализации
Найти по услугам
Провести конкурс
Разместить задание
Виртуальный HR
Другое
Найти работу
Фрилансеру
Найти задание
Присоединиться к команде
Участвовать в конкурсе
Предложить услугу
Другое
Возможности
Для заказчика
Для фрилансера
Вход
Разместить задание
▲