Top 10
Рейтинг: 4 989
не верифицирован
Всего отзывов: 2 0
Выполнил заданий: 1
  • Работ в портфолио: 11
  • Типовых услуг: 0
  • Работ на продажу: 0
  • Стаж работы: 12 лет
  • Зарегистрирован: 03.12.2015
  • Образование: Cпециалитет
  • Юридический статус:Самозанятый
Был на сайте:

Описание

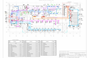
Проект отопления, вентиляции и кондиционирования АБК хлебозавода.

Презентация проекта

pic3664172.jpg

Оценили проект:

0