Рейтинг: 71
не верифицирован
Всего отзывов: 0
Опубликовал заданий: 8
  • Работ в портфолио: 21
  • Типовых услуг: 0
  • Работ на продажу: 0
Был на сайте:

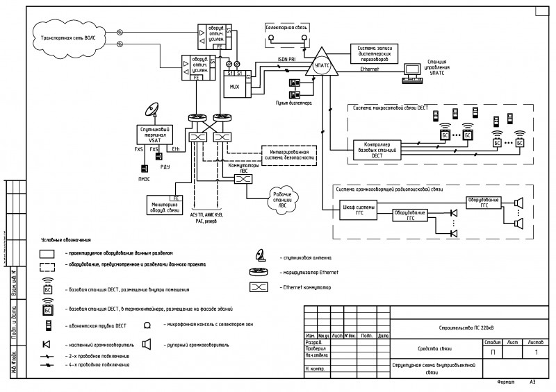
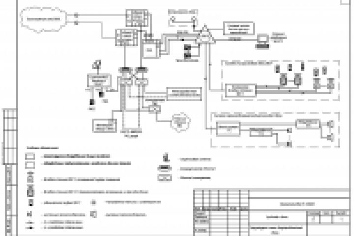
Внутриобъектовая связь

Используемые навыки:

Описание

Проектирование внтриобъектовой связи любой сложности (АТС, громкоговорящая связь, СКС, DECT, конференц связь)

Презентация проекта

pic3035801.jpg

Оценили проект:

0