Рейтинг: 71
не верифицирован
Всего отзывов: 0
Опубликовал заданий: 8
  • Работ в портфолио: 21
  • Типовых услуг: 0
  • Работ на продажу: 0
  • Зарегистрирован: 14.01.2017
Был на сайте:

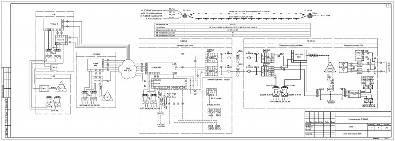
ВОЛС станционные сооружения

Используемые навыки:

Описание

Проектирование ВОЛС внутриобъектовых, магистральных, подвеска ВОЛС на линиях электропередач, станционное оборудование.

Презентация проекта

pic3035792.jpg
Схема разварки волокон.png

Оценили проект:

0