Рейтинг: 71
не верифицирован
Всего отзывов: 0
Опубликовал заданий: 8
  • Работ в портфолио: 21
  • Типовых услуг: 0
  • Работ на продажу: 0
Был на сайте:

Система внутреннего электроснабжения зданий

Используемые навыки:

Описание

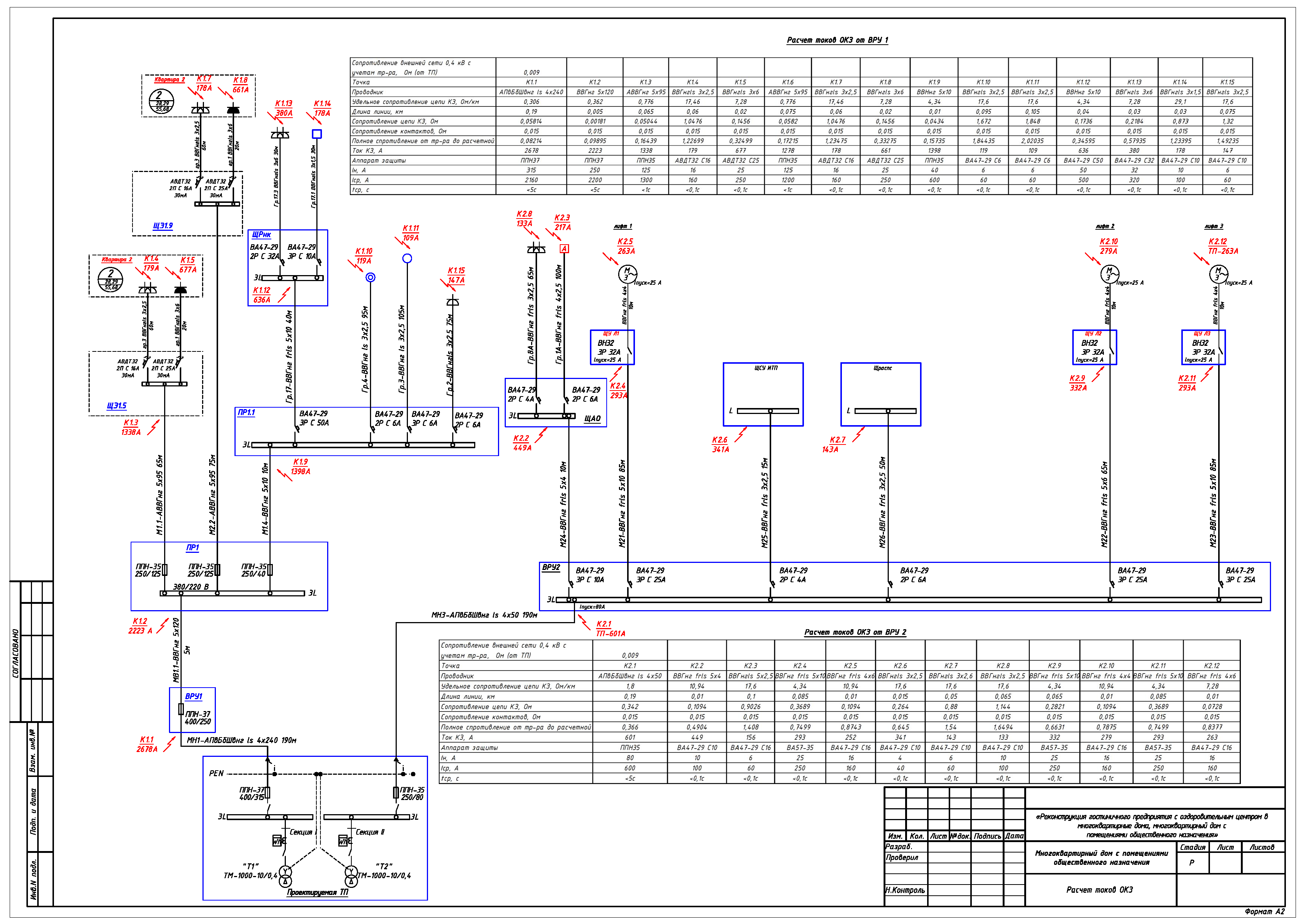
Проектирование внутреннего электроснабжения жилых домов, встроенных офисов, торговых центров, автопарковок. Однолинейные схемы, расчет токов ОКЗ, расчет электрических нагрузок, поэтажная разводка.

Презентация проекта

pic3035779.jpg
План разводки квартир.png
Расчет токов ОКЗ.png

Оценили проект:

0