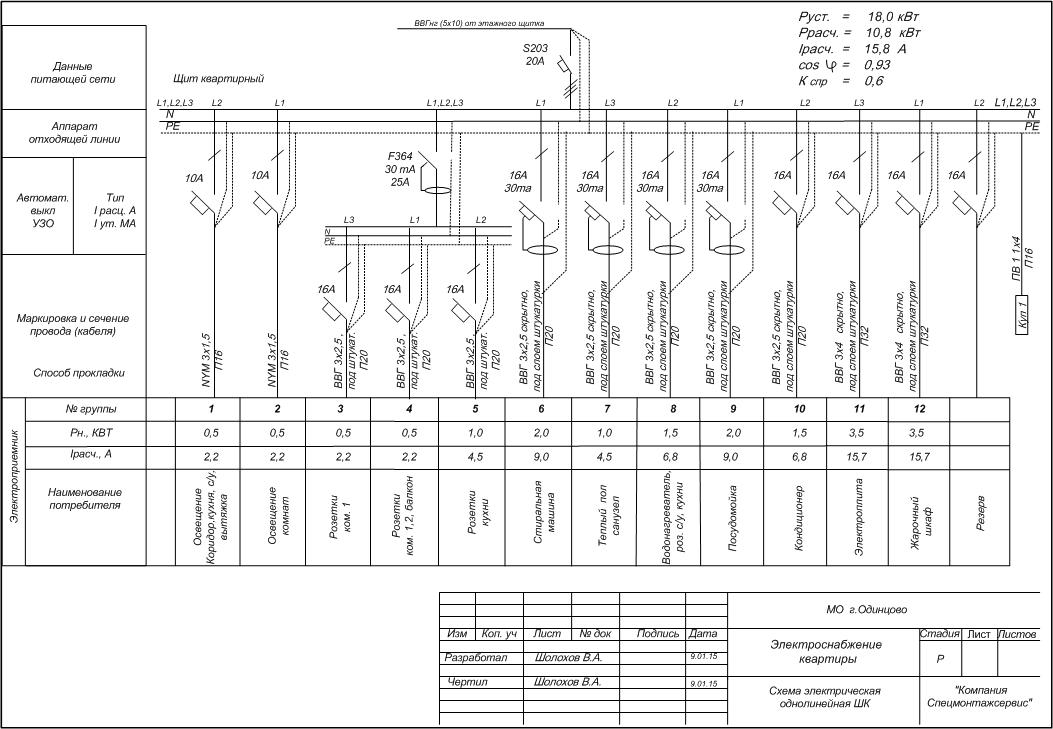
Схема электроснабжения дома
Для полной функциональности этого сайта необходимо включить JavaScript.
Москва
64 года
На сайте с: 04.01.2017
Мастерство не пропьеш
Виктор Шолохов
elekproekt
Рейтинг: 396
не верифицирован
Всего отзывов:
0
Нейросаммари
Активность:
Работ в портфолио:
16
Типовых услуг:
0
Работ на продажу:
0
Был на сайте:
2025-03-05 в 10:38
89629469780, 84995089327
inbox
whatsapp
elekproekt@rambler.ru
Вконтакте
Предложить работу
Добавить в избранное
Добавить рекомендацию
Пожаловаться
Инженерия
201
0
Схема электроснабжения дома
Используемые навыки:
Электроснабжение
Описание
Решение
Результат
Соавторы
Презентация проекта
Примеры реализации
Описание
Презентация проекта
Оценили проект:
0
×
Оценили проект
×
Авторизация
Для того чтобы оценивать проекты, вам нужно войти на сайт
Другие проекты
Все проекты
Разработка проекта электроснабжения домов, квартир, офисов
Схема уравнивания потенциалов
План осветительной сети
FREELANCE.RU
Toggle navigation
Нанять фрилансера
Заказчику
Найти по специализации
Найти по услугам
Провести конкурс
Разместить задание
Виртуальный HR
Другое
Найти работу
Фрилансеру
Найти задание
Присоединиться к команде
Участвовать в конкурсе
Предложить услугу
Другое
Возможности
Для заказчика
Для фрилансера
Вход
Разместить задание
▲