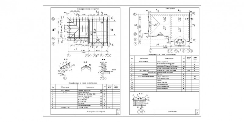
Схемы стропил и кровли коттеджа1
Для полной функциональности этого сайта необходимо включить JavaScript.
Волжский (Волгоградская обл.)
Помогаю мечтам сбываться!
Владимир Фисун
VladimirVLZ
Рейтинг: 444
не верифицирован
Всего отзывов:
42
0
Выполнил заданий:
38
Нейросаммари
Активность:
Работ в портфолио:
203
Типовых услуг:
0
Работ на продажу:
0
Зарегистрирован:
23.01.2012
Был на сайте:
2025-01-15 в 18:40
inbox
vladim.fisun@yandex.ru
Предложить работу
Добавить в избранное
Добавить рекомендацию
Пожаловаться
Инженерия
24
0
Схемы стропил и кровли коттеджа1
Используемые навыки:
Проектирование объектов
Описание
Решение
Результат
Соавторы
Презентация проекта
Примеры реализации
Описание
Презентация проекта
Оценили проект:
0
×
Оценили проект
×
Авторизация
Для того чтобы оценивать проекты, вам нужно войти на сайт
Другие проекты
Все проекты
Изображение автомобильных весов с грузовиком на фоне стройки
Экопарковка по ул. Лукинской
Коттедж в Дубне
FREELANCE.RU
Toggle navigation
Нанять фрилансера
Заказчику
Найти по специализации
Найти по услугам
Провести конкурс
Разместить задание
Виртуальный HR
Найти студию
Другое
Найти работу
Фрилансеру
Найти задание
Присоединиться к команде
Участвовать в конкурсе
Предложить услугу
Другое
Возможности
Для заказчика
Для фрилансера
Вход
Разместить задание
▲