Линия обмыва
Для полной функциональности этого сайта необходимо включить JavaScript.
Санкт-Петербург
Михаил Селин
PiFus
Рейтинг: 714
не верифицирован
Всего отзывов:
0
Нейросаммари
Работ в портфолио:
63
Типовых услуг:
0
Работ на продажу:
0
Возраст:
61 год
Зарегистрирован:
06.08.2012
Был на сайте:
2026-03-07 в 12:17
+7-921-797-46-08
inbox
telegram
whatsapp
mikl_spb@mail.ru
Предложить работу
Добавить в избранное
Добавить рекомендацию
Пожаловаться
Инженерия
80
0
Линия обмыва
Используемые навыки:
Машиностроение
Описание
Решение
Результат
Соавторы
Презентация проекта
Примеры реализации
Описание
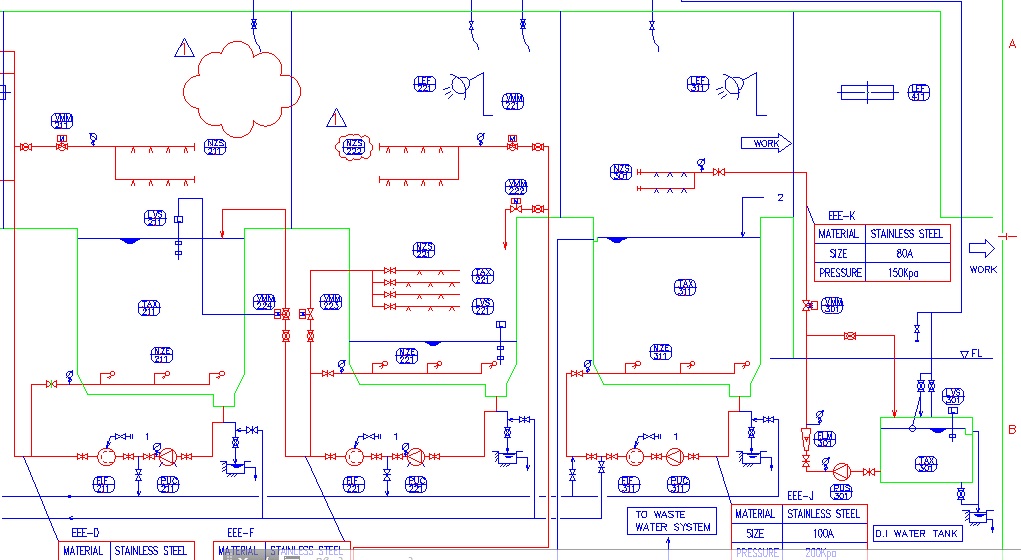
Линия обмыва кузовов перед грунтованием
Презентация проекта
Оценили проект:
0
×
Оценили проект
×
Авторизация
Для того чтобы оценивать проекты, вам нужно войти на сайт
Другие проекты
Все проекты
Наружные инженерные сети.
Система автоматики технологического оборудования.
НВК
FREELANCE.RU
Toggle navigation
Нанять фрилансера
Заказчику
Найти по специализации
Найти по услугам
Провести конкурс
Разместить задание
Виртуальный HR
Найти студию
Другое
Найти работу
Фрилансеру
Найти задание
Присоединиться к команде
Участвовать в конкурсе
Предложить услугу
Другое
Возможности
Для заказчика
Для фрилансера
Вход
Разместить задание
▲