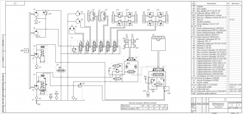
Гидропривод бетононасоса
Для полной функциональности этого сайта необходимо включить JavaScript.
Москва
На сайте с: 28.08.2015
Андрей Петров
Mon_key
Рейтинг: 125
не верифицирован
Всего отзывов:
1
0
Выполнил заданий:
2
Нейросаммари
Активность:
Работ в портфолио:
20
Типовых услуг:
0
Работ на продажу:
0
Был на сайте:
2026-02-07 в 18:30
inbox
Предложить работу
Добавить в избранное
Добавить рекомендацию
Пожаловаться
Инженерия
103
0
Гидропривод бетононасоса
Используемые навыки:
Машиностроение
Описание
Решение
Результат
Соавторы
Презентация проекта
Примеры реализации
Описание
Схема гидравлическая принципиальная
Презентация проекта
Оценили проект:
0
×
Оценили проект
×
Авторизация
Для того чтобы оценивать проекты, вам нужно войти на сайт
Другие проекты
Все проекты
Фальцовочная головка
Конвейер разделки тушек курицы
Гидропривод бетононасоса
FREELANCE.RU
Toggle navigation
Нанять фрилансера
Заказчику
Найти по специализации
Найти по услугам
Провести конкурс
Разместить задание
Виртуальный HR
Другое
Найти работу
Фрилансеру
Найти задание
Присоединиться к команде
Участвовать в конкурсе
Предложить услугу
Другое
Возможности
Для заказчика
Для фрилансера
Вход
Разместить задание
▲