Не просто проектирую, а помогаю воплощать в жизнь

Артем Горлов artema83

Рейтинг: 1 746
Верифицирован через Сбер ID
Всего отзывов: 1 0
Профессионализм: 10 Коммуникация: 10
  • Работ в портфолио: 17
  • Типовых услуг: 7
  • Работ на продажу: 0
  • Возраст: 42 года
  • Стаж работы: 10 лет
  • Зарегистрирован: 10.03.2025
  • Образование: Магистратура
  • Юридический статус:ИП
  • Стоимость услуг (руб): 1 000 за час 100 000 за месяц
Был на сайте:

Описание

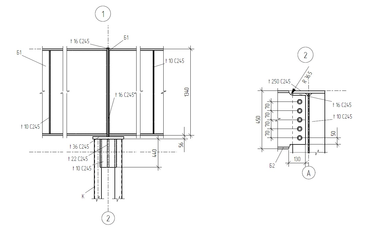
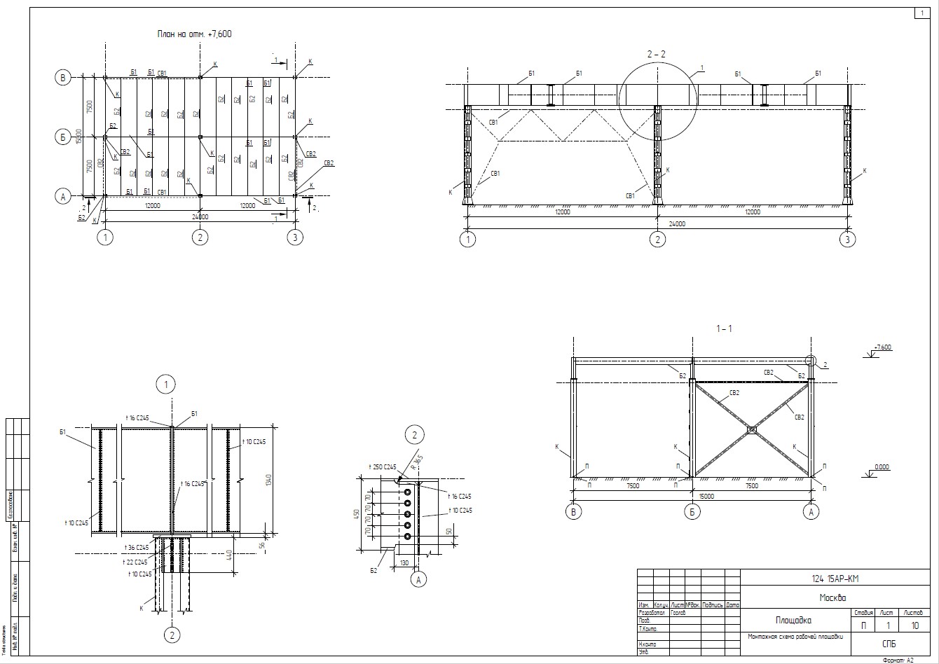
Каркас строительной площадки. Относится к чертежам марки КМ, КМД

Презентация проекта

Строительная площадка.jpg
Строительная площадка2.jpg
Строительная площадка3.jpg
Строительная площадка4.jpg

Оценили проект:

1