Проектирование ОВиК,бИТП, бУУТЭ, гарантия.

Илья Атаманов Xstar

Рейтинг: 79
не верифицирован
Всего отзывов: 0
  • Работ в портфолио: 9
  • Типовых услуг: 0
  • Работ на продажу: 0
  • Возраст: 39 лет
  • Стаж работы: 16 лет
  • Зарегистрирован: 17.11.2012
  • Образование: Cпециалитет
  • Стоимость услуг (руб): 1 500 за час 150 000 за месяц
Был на сайте:

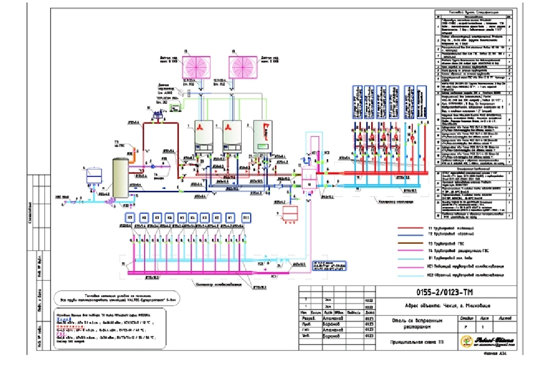
РД на отопление,вентиляцию,кондиционирование, ИТП для 3-х этажного мини Отеля S=600м².

Описание

Задача стояла, исполнить РД (рабочую документацию) на отопление,вентиляцию,кондиционирование. необходимо было выполнить работу в САПР MagiCAD.

Решение

Отопление: 1эт. и 2эт. полностью теплым водяным полом,с кравевыми зонами (2137 м.п., трубы из сшитого полиэтилена STOUT SPX Ø 20х2.0), 3-ий этаж переразмеренные радиаторы RADIK 22VKU.Отель тепло-сберегающий, расчет тепловых потерь показал отличные результаты 44 Вт/м². Тепловой пункт: каскад, на базе 2 тепловых насосов Mitsubishi Electric PUHZ-SHW230YKA2 (работающие зимой на отопление, летом на охлаждение фанкойлов) и 1 резервного электро котла Proterm Ray 24 , Q=24 кВт , бойлера косвенного нагрева 500 л. , Protherm B500S. Вентиляция совмещена с кондиционированием (фанкойлы с подмесом приточного воздуха)

Результат

Заказчик доволен, монтаж прошел легко.

Презентация проекта

1.jpg
2.jpg
3.jpg
4.jpg
5.jpg

Оценили проект:

0