Проектирование ОВиК,бИТП, бУУТЭ, гарантия.

Илья Атаманов Xstar

Рейтинг: 79
не верифицирован
Всего отзывов: 0
  • Работ в портфолио: 9
  • Типовых услуг: 0
  • Работ на продажу: 0
  • Возраст: 39 лет
  • Стаж работы: 16 лет
  • Зарегистрирован: 17.11.2012
  • Образование: Cпециалитет
  • Стоимость услуг (руб): 1 500 за час 150 000 за месяц
Был на сайте:

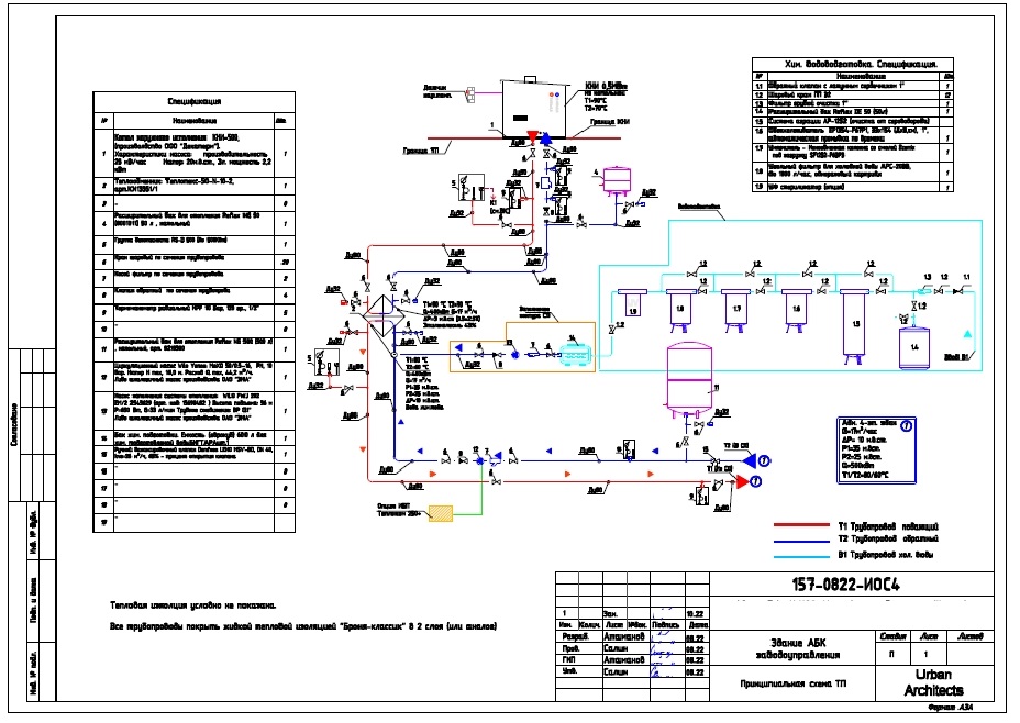
ПД на ТП на 0,5 Мвт (500 кВт)

Описание

√ Спроектировал ТП на 0,5 Мвт (500 кВт) , оное служит для нужд системы отопления (от ТП запитано: 5 этажное офисное здание, общей площадью более 4500 кв.м.) .

Решение

Источником тепла для отопления здания, является газ. Котел Наружного Исполнения (КНИ), от которого через теплообменник выполнена раздача теплоносителя через ТП к потребителям.Проект выгружен в IFC, успешно пройдена экспертиза ПБ. Монтаж выполнен успешно. Проект в части 3D визуализации выполнен в САПР MagiCAD. В проекте выполнены дополнительные 3D визуализации / разрезы, для наглядного понимания монтажниками, концепции увязки оборудования в ограниченной площади теплового пункта.

Результат

Заказчик доволен. ПД спешно прошел экспертизу ПБ.

Презентация проекта

1.jpg
3.jpg
2.jpg
4.jpg

Оценили проект:

0