Работа на результат в разумные сроки

Александр Михалев apl1

Рейтинг: 196
не верифицирован
Всего отзывов: 1 0
Выполнил заданий: 2
  • Работ в портфолио: 32
  • Типовых услуг: 0
  • Работ на продажу: 0
  • Зарегистрирован: 22.04.2017
Был на сайте:

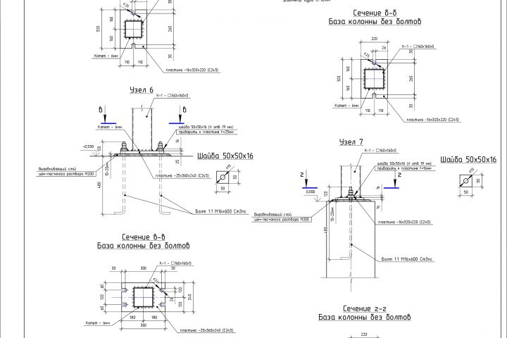
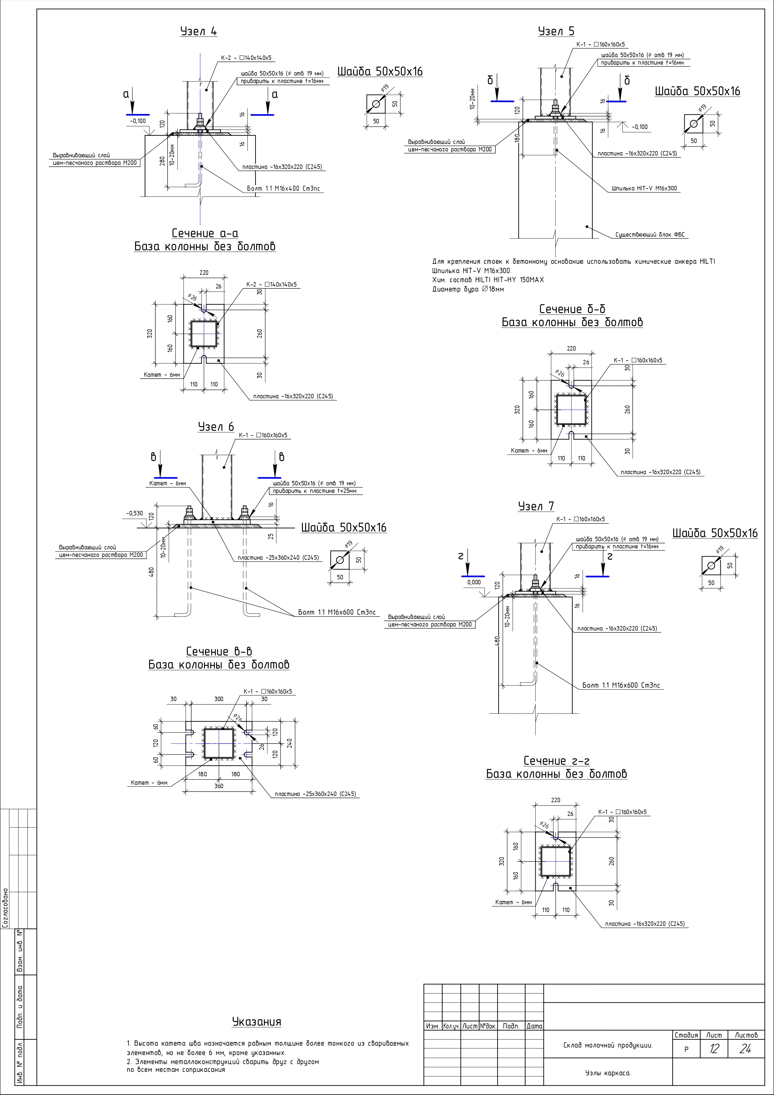
КР склада

Описание

Здесь показаны отдельные листы проектов, полные примеры вышлю по запросу.

Презентация проекта

все фото_page-0024.jpg

Оценили проект:

0