Рейтинг: 1 750
Паспорт верифицирован
Всего отзывов: 63 1
Профессионализм: 10 Коммуникация: 10
Выполнил заданий: 67
  • Надежность: Использовал: Работал по Безопасной сделке
  • Работ в портфолио: 82
  • Типовых услуг: 13
  • Работ на продажу: 0
  • Возраст: 48 лет
  • Стаж работы: 25 лет
  • Зарегистрирован: 27.05.2012
  • Образование: Cпециалитет
  • Юридический статус:Частное лицо
  • Стоимость услуг (руб): 1 000 за час 100 000 за месяц
Был на сайте:

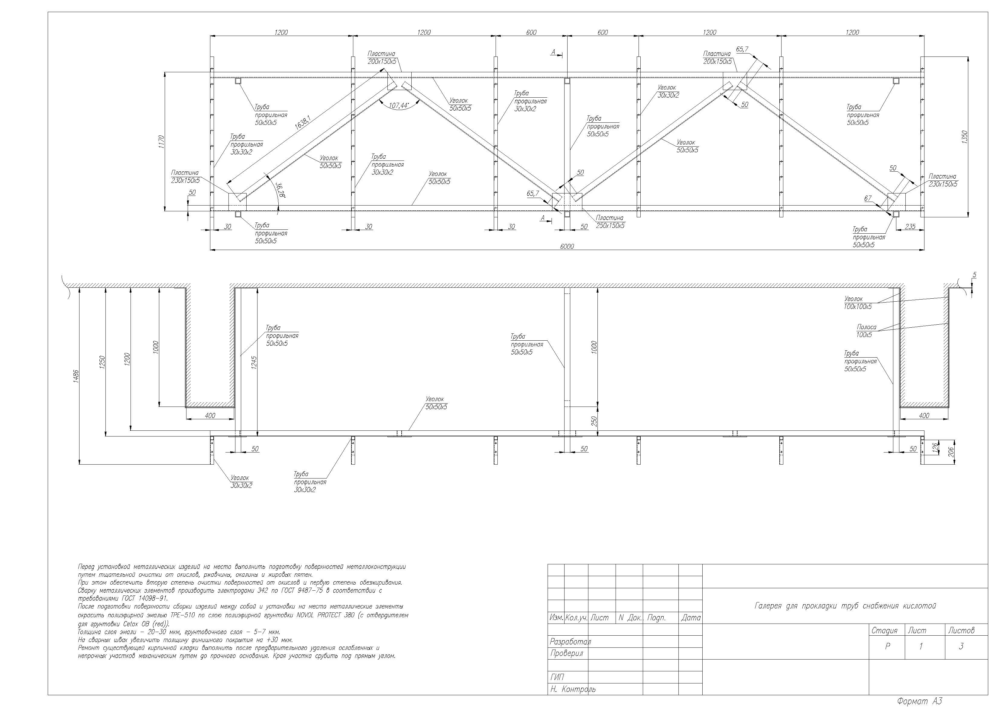
чертеж галереи для труб снабжения кислотой

Используемые навыки:

Описание

для нового производства в челябинске необходимо было проложить металлическую галерею для труб снабжения кислотой
необходимо было ее запроектировать вместе с заказчиком и отчертить в AutoCAD

Решение

после выдачи всех вводных была начерчена металлическая галерея

Результат

после проектирования галерея была отдана в производство для последующего монтажа

Презентация проекта

галереи для прокладки труб - v2.8_Страница_1.jpg
галереи для прокладки труб - v2.8_Страница_2.jpg
галереи для прокладки труб - v2.8_Страница_3.jpg

Оценили проект:

1