Рейтинг: 1 750
Паспорт верифицирован
Всего отзывов: 63 1
Профессионализм: 10 Коммуникация: 10
Выполнил заданий: 67
  • Надежность: Использовал: Работал по Безопасной сделке
  • Работ в портфолио: 82
  • Типовых услуг: 13
  • Работ на продажу: 0
  • Возраст: 48 лет
  • Стаж работы: 25 лет
  • Зарегистрирован: 27.05.2012
  • Образование: Cпециалитет
  • Юридический статус:Частное лицо
  • Стоимость услуг (руб): 1 000 за час 100 000 за месяц
Был на сайте:

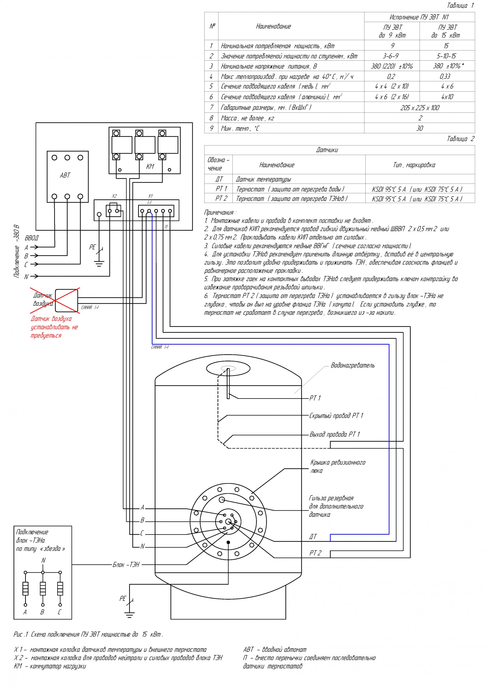
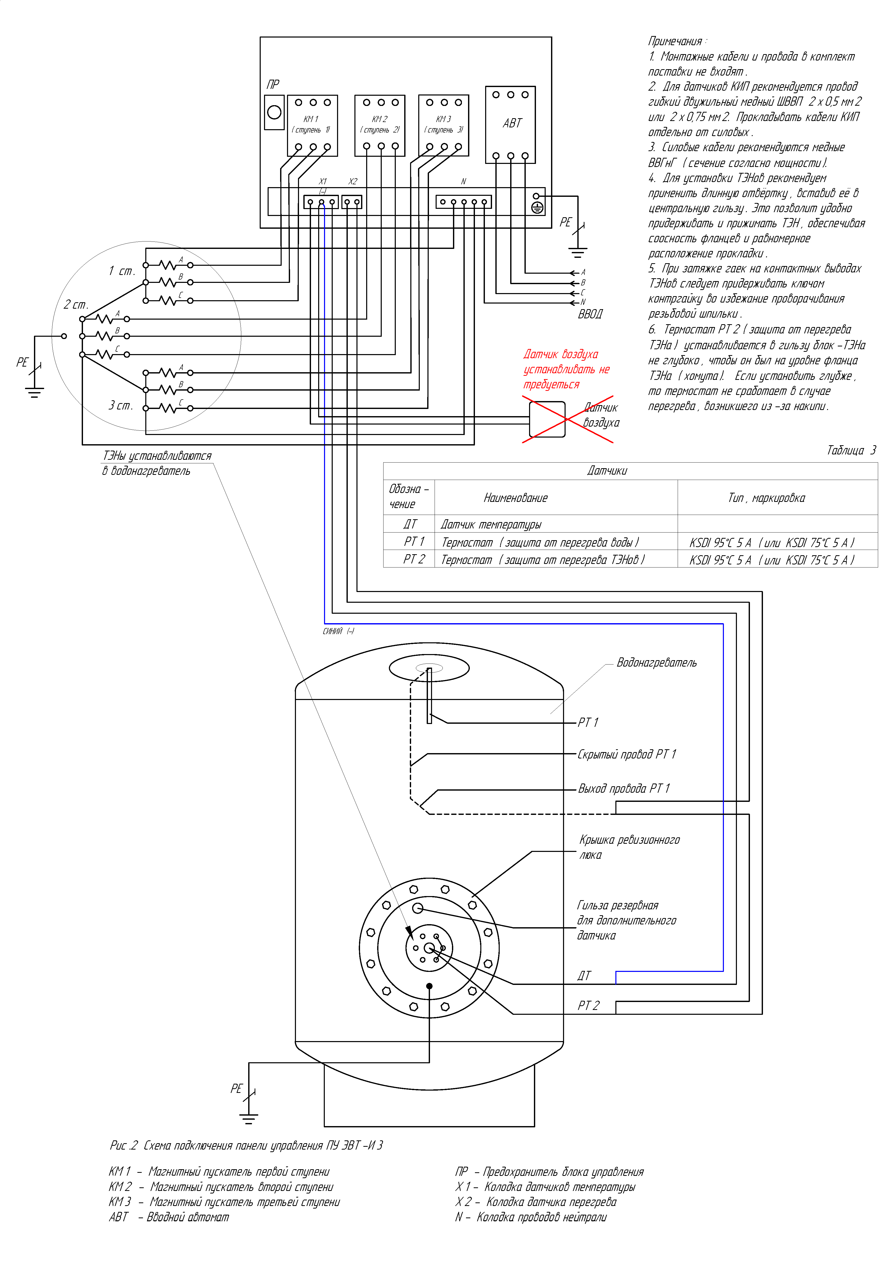
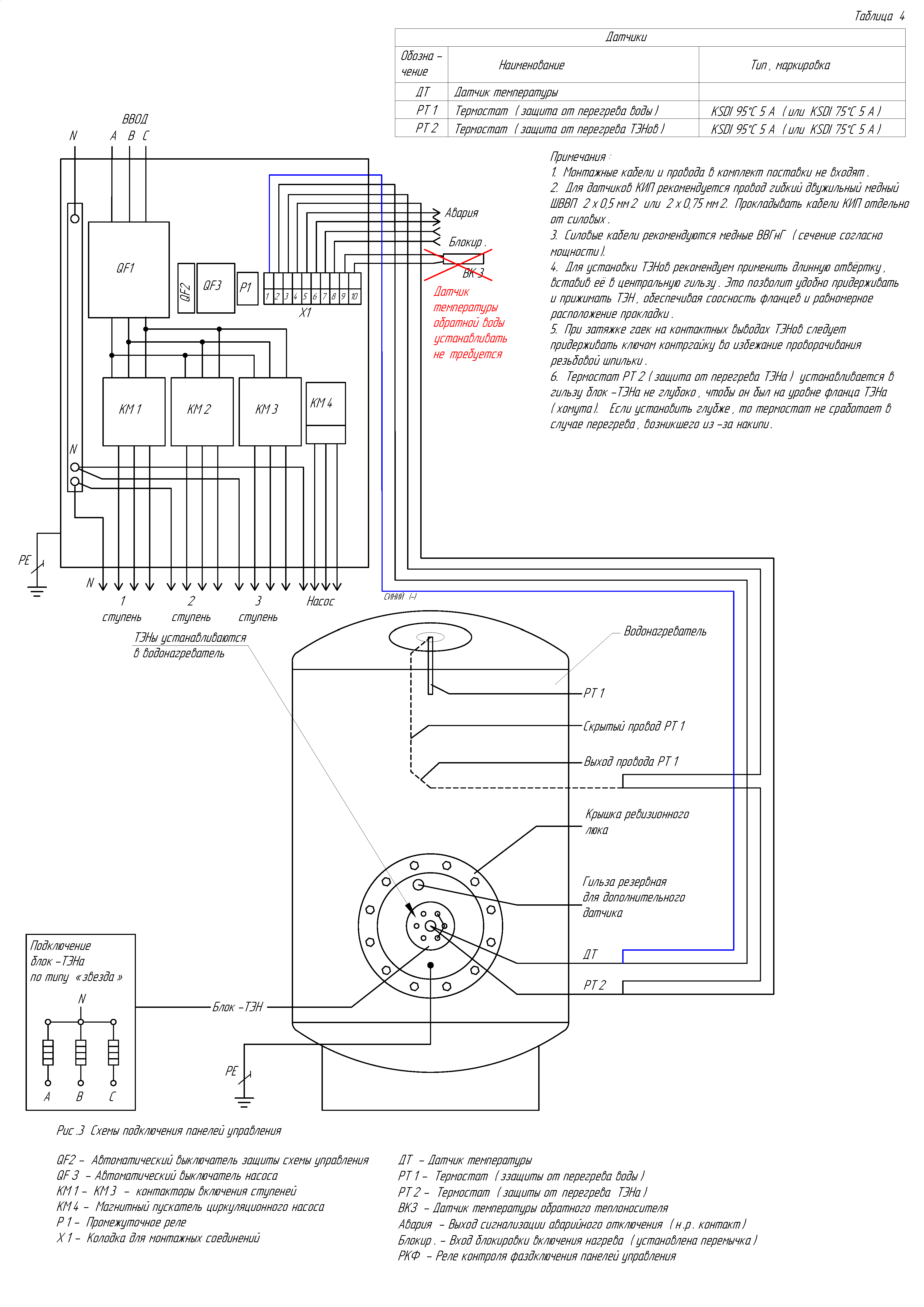
Схемы расположения датчиков на котлах отопления

Используемые навыки:

Описание

Схемы расположения датчиков на котлах отопления для сайта компании Goppo
в формате pdf (для передачи клиентам покупающим котлы отопления).
Использованные инструменты: AutoCAD, Adobe Acrobat.
Сайт компании - goppo.ru.

Ссылки на примеры реализации

 goppo.ru/info/dokumentatsiya.php

Презентация проекта

pic4523006.jpg
схема  датчиков - v2.7_Страница_1.png
схема  датчиков - v2.7_Страница_2.png
схема  датчиков - v2.7_Страница_3.png
схема  датчиков - v2.7_Страница_4.png

Оценили проект:

0