Рейтинг: 31
не верифицирован
Всего отзывов: 0
  • Работ в портфолио: 1
  • Типовых услуг: 1
  • Работ на продажу: 0
  • Зарегистрирован: 22.05.2016
  • Образование: Магистратура
Был на сайте:

проектирование систем связи и систем безовасности

Описание

Провожу работы по проектированию новых систем связи, безовасности и автоматизации АОВ,
СКД, МКП, СКУД, СКС, СВН (СОТ), СКПТ, СВИ, СЗИ и тд.

Решение

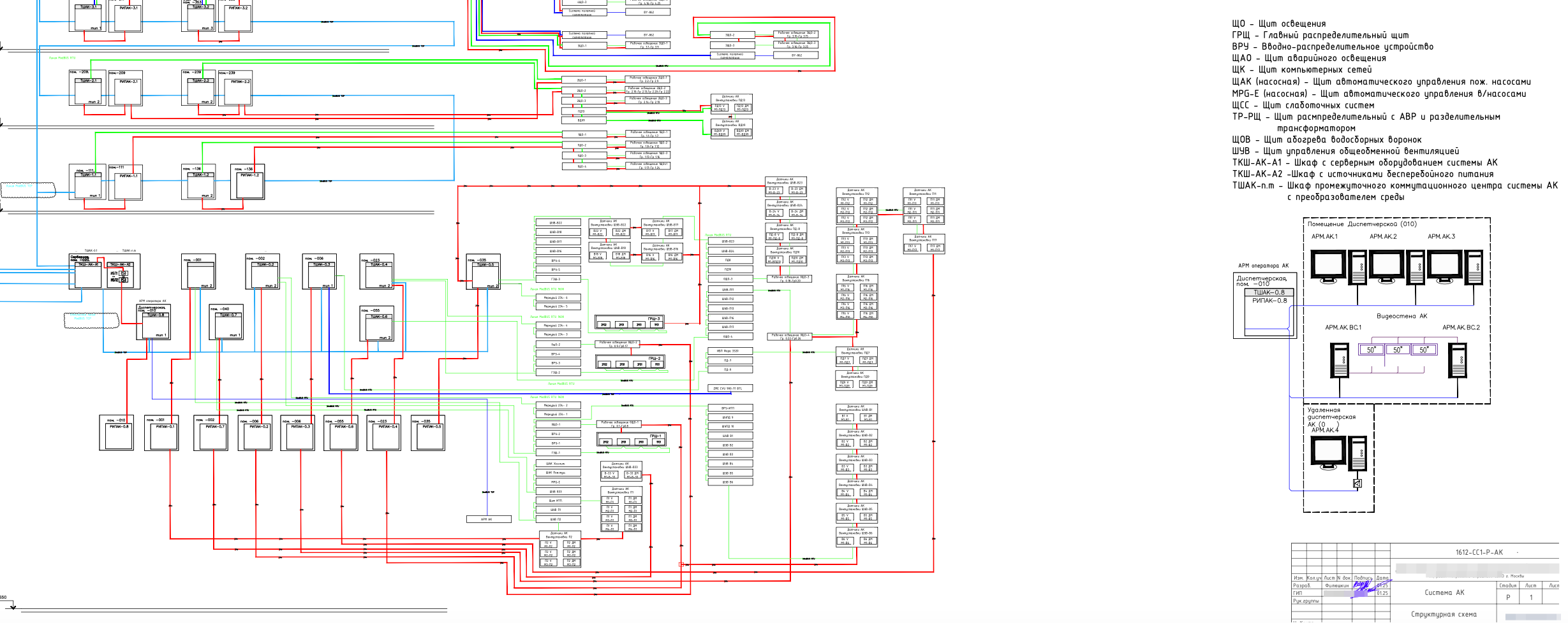
Выполнил работы по проектированию, строительству и пусконаладке систем связи (СКС, СКПТ, СВИ, АОВ, АК) в период с 2023 по 2025 г на объектах Детская Областная больница, Строительство аэропорта г. Минеральные Воды. Занимаюсь проектированием систем Комплексной Автоматизации (АК), слаботочных систем связи и безопасности (СКС, СОТ, СВН, СКУД, АПС, АОВ). Провожу пусконаладочные работы по этим системам.

Результат

Выполнил работы по проектированию, строительству и пусконаладке систем связи (СКС, СКПТ, СВИ, АОВ, АК) в период с 2023 по 2025 г на объектах Детская Областная больница, Строительство аэропорта г. Минеральные Воды.

Презентация проекта

2025-06-24_12-16-44.png
2025-06-24_12-27-43.png
2025-06-24_12-23-54.png

Оценили проект:

1