Рейтинг: 1 292
Паспорт верифицирован
Всего отзывов: 2 0
Профессионализм: 10 Коммуникация: 10
  • Работ в портфолио: 2
  • Типовых услуг: 0
  • Работ на продажу: 0
  • Возраст: 41 год
  • Стаж работы: 17 лет
  • Зарегистрирован: 21.08.2017
  • Образование: Cпециалитет
  • Стоимость услуг (руб): 1 500 за час 200 000 за месяц
Был на сайте:

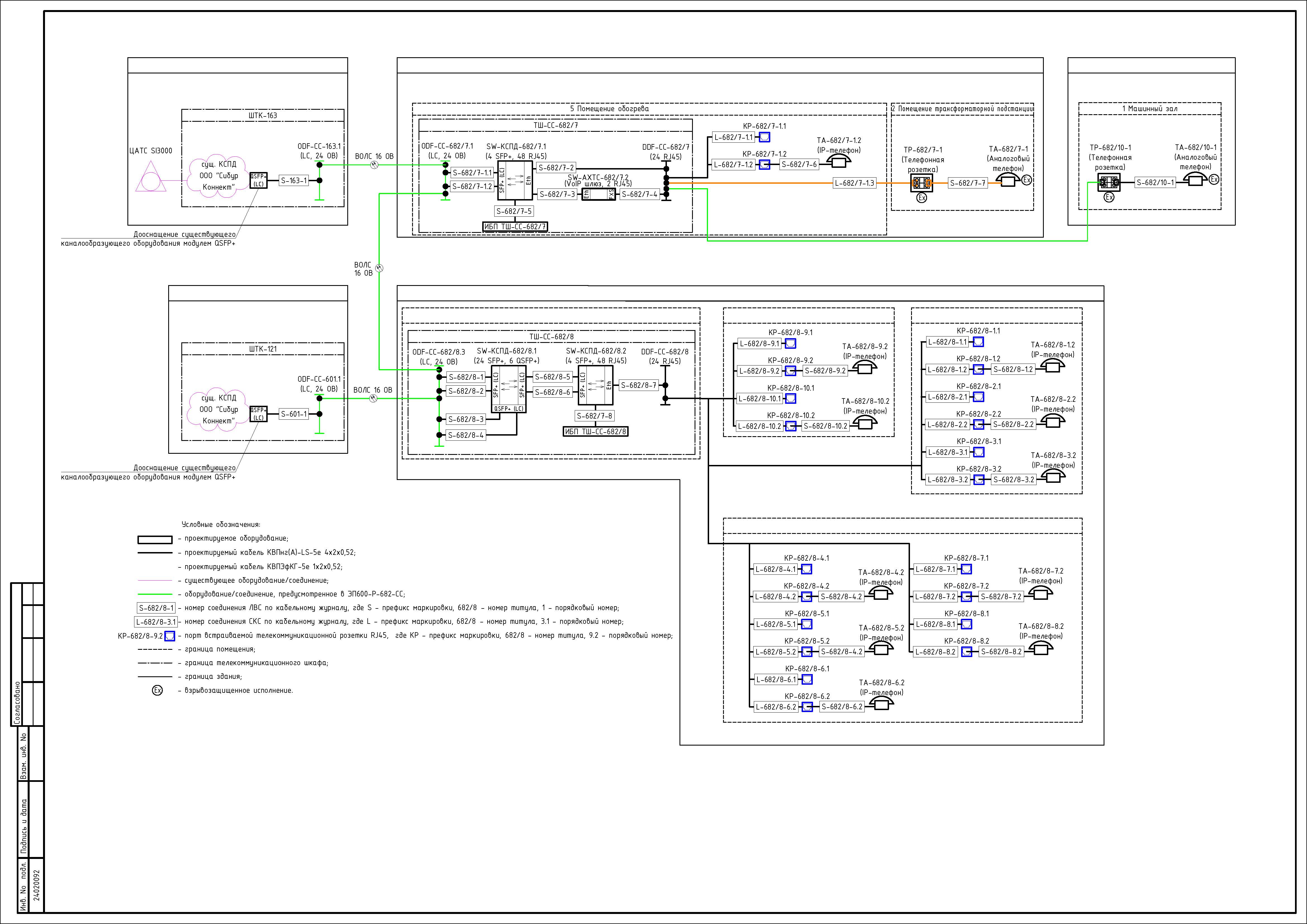
НОВЫЙ КОМПЛЕКС ПО ПРОИЗВОДСТВУ ОЛЕФИНОВ ОАО «НИЖНЕКАМСКНЕФТЕХИМ».

Описание

Выполнена разработка рабочей документации, для организации локальной вычислительной сети и системы телефонной связи

Ссылки на примеры реализации

 www.sibur.ru/nknh/ru/

Презентация проекта

Без имени.jpg
Без.jpg

Оценили проект:

0