Живым не сдамся)

Сергей Г. sereg1985

Рейтинг: 71
не верифицирован
Всего отзывов: 0
Опубликовал заданий: 1
  • Работ в портфолио: 1
  • Типовых услуг: 0
  • Работ на продажу: 0
Был на сайте:

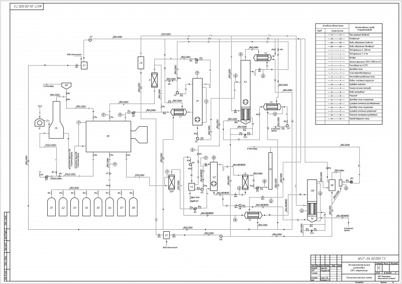
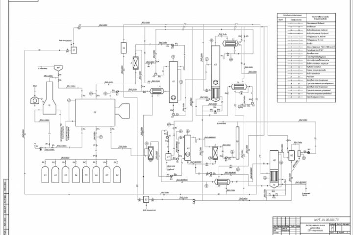
Установка обезвреживания отходов

Описание

Разработка технологической установки термического обезвреживания твердых бытовых отходов. Расчеты материального и теплового балансов. Технологические расчеты, гидравлические расчеты, выбор оборудования. Разработка технологической схемы с КИПиА и трубопроводной обвязкой, чертежей оборудования, монтажных чертежей. Подготовка проектной документации (разделы ПЗ, ИОС, ПМООС постановления № 87 "О составе ПД...").

Презентация проекта

pic3978772.jpg

Оценили проект:

0