"Когда-нибудь" - это не день недели.

Иван Иванов Ivan_Ivanov

Рейтинг: 84
не верифицирован
Всего отзывов: 0
  • Работ в портфолио: 14
  • Типовых услуг: 5
  • Работ на продажу: 0
  • Возраст: 37 лет
  • Зарегистрирован: 01.02.2017
Был на сайте:

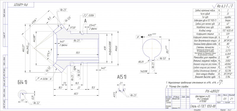
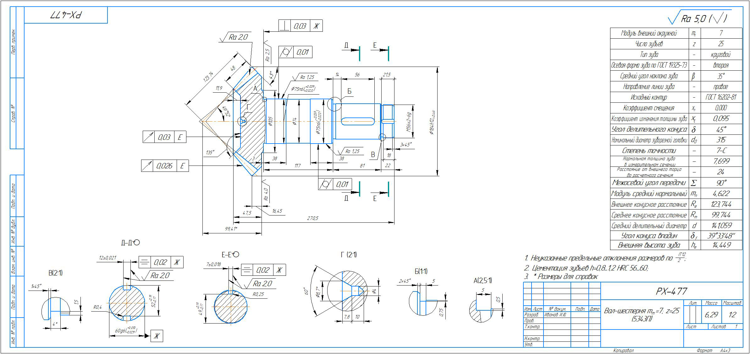
Разработка КД деталей машин и механизмов

Описание

Разработка и оформление конструкторской документации на основании технического задания, образцов.
Актуализация и векторизация устаревшей КД.

Презентация проекта

pic4198813.jpg
вал-шестерня(круговой зуб).jpg

Оценили проект:

0