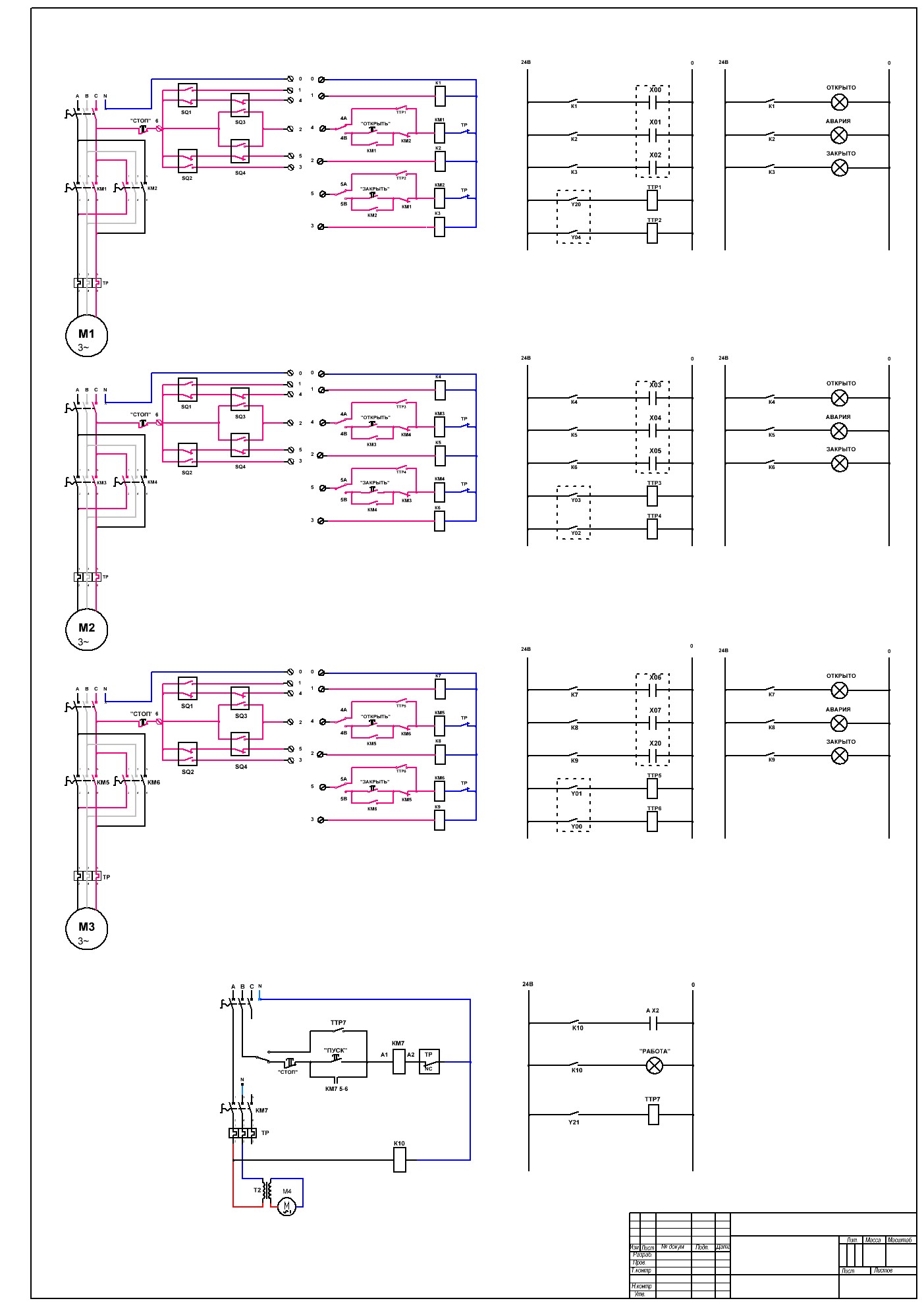
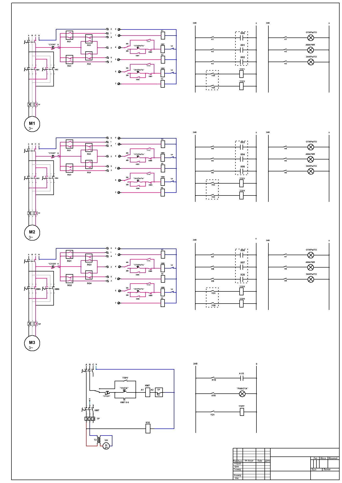
Щит Управления Задвижками №3 (ЩУЗ-3)
Для полной функциональности этого сайта необходимо включить JavaScript.
Обнинск
На сайте с: 02.11.2011
Артём Федоренко
YouKaTaN
Рейтинг: 76
не верифицирован
Всего отзывов:
0
Активность:
Работ в портфолио:
6
Типовых услуг:
0
Работ на продажу:
0
Был на сайте:
2016-07-20 в 23:55
inbox
Предложить работу
Добавить в избранное
Добавить рекомендацию
Пожаловаться
Инженерия
21
0
Щит Управления Задвижками №3 (ЩУЗ-3)
Используемые навыки:
Чертежи/Схемы
Описание
Решение
Результат
Соавторы
Презентация проекта
Примеры реализации
Описание
Презентация проекта
Оценили проект:
0
×
Оценили проект
×
Авторизация
Для того чтобы оценивать проекты, вам нужно войти на сайт
Другие проекты
Все проекты
Алгоритм программы
ПУЛЬТ
Топология сети
FREELANCE.RU
Toggle navigation
Нанять фрилансера
Заказчику
Найти по специализации
Найти по услугам
Провести конкурс
Разместить задание
Другое
Найти работу
Фрилансеру
Найти задание
Присоединиться к команде
Участвовать в конкурсе
Другое
Возможности
Для заказчика
Для фрилансера
Вход
Разместить задание
▲