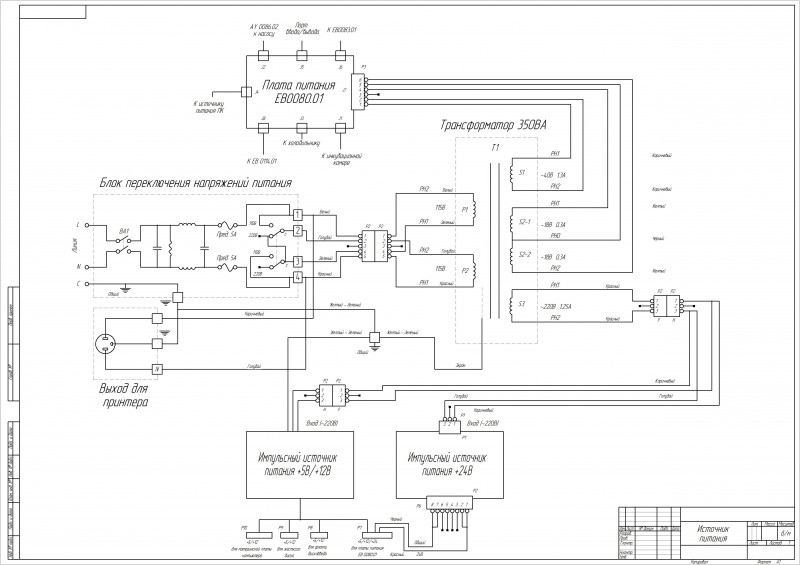
Схема автоанализатора
Для полной функциональности этого сайта необходимо включить JavaScript.
Рудный
39 лет
На сайте с: 08.07.2012
Виктор Диков
Discovery2380
Рейтинг: 98
не верифицирован
Всего отзывов:
0
Работ в портфолио:
28
Типовых услуг:
0
Работ на продажу:
0
Был на сайте:
2016-12-06 в 13:04
Предложить работу
Добавить в избранное
Добавить рекомендацию
Пожаловаться
Инженерия
13
0
Схема автоанализатора
Используемые навыки:
Электроснабжение
Описание
Решение
Результат
Соавторы
Презентация проекта
Примеры реализации
Описание
Презентация проекта
Оценили проект:
0
×
Оценили проект
×
Авторизация
Для того чтобы оценивать проекты, вам нужно войти на сайт
Другие проекты
Все проекты
Переходник (двигатель - редуктор) СБ + деталировка
Затвор колесный (1)
Таль электрическая цепная (Компас 3D)
FREELANCE.RU
Toggle navigation
Нанять фрилансера
Заказчику
Найти по специализации
Найти по услугам
Провести конкурс
Разместить задание
Другое
Найти работу
Фрилансеру
Найти задание
Присоединиться к команде
Участвовать в конкурсе
Другое
Возможности
Для заказчика
Для фрилансера
Вход
Разместить задание
▲