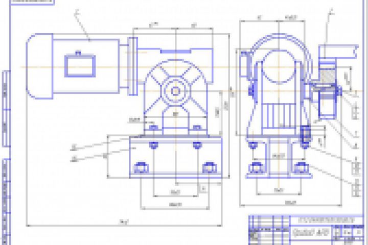
Привод автоматических раздвижных ворот
Для полной функциональности этого сайта необходимо включить JavaScript.
Санкт-Петербург
36 лет
На сайте с: 11.11.2010
Алина H
mjaay
Рейтинг: 66
не верифицирован
Всего отзывов:
0
Работ в портфолио:
6
Типовых услуг:
0
Работ на продажу:
0
Была на сайте:
2017-01-14 в 16:11
inbox
Предложить работу
Добавить в избранное
Добавить рекомендацию
Пожаловаться
Инженерия
17
0
Привод автоматических раздвижных ворот
Используемые навыки:
Чертежи/Схемы
Описание
Решение
Результат
Соавторы
Презентация проекта
Примеры реализации
Описание
Презентация проекта
Оценили проект:
0
×
Оценили проект
×
Авторизация
Для того чтобы оценивать проекты, вам нужно войти на сайт
Другие проекты
Все проекты
Крышка верхней секции масляного насоса ЗИЛ-130
Цилиндрический редуктор
Аксонометрическая проекция с вырезом 1/4 части
FREELANCE.RU
Toggle navigation
Нанять фрилансера
Заказчику
Найти по специализации
Найти по услугам
Провести конкурс
Разместить задание
Другое
Найти работу
Фрилансеру
Найти задание
Присоединиться к команде
Участвовать в конкурсе
Другое
Возможности
Для заказчика
Для фрилансера
Вход
Разместить задание
▲