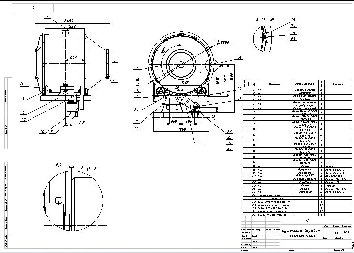
Сушильный барабан для сыпучих материалов
Для полной функциональности этого сайта необходимо включить JavaScript.
Владивосток
40 лет
На сайте с: 13.08.2014
Елена Божок
alenka-riddle
Рейтинг: 83
не верифицирован
Всего отзывов:
0
Нейросаммари
Работ в портфолио:
13
Типовых услуг:
0
Работ на продажу:
0
Была на сайте:
2026-01-16 в 05:11
inbox
Предложить работу
Добавить в избранное
Добавить рекомендацию
Пожаловаться
Инженерия
25
0
Сушильный барабан для сыпучих материалов
Используемые навыки:
Машиностроение
Описание
Решение
Результат
Соавторы
Презентация проекта
Примеры реализации
Описание
Сушильный барабан для цементных заводов
Презентация проекта
Оценили проект:
0
×
Оценили проект
×
Авторизация
Для того чтобы оценивать проекты, вам нужно войти на сайт
Другие проекты
Все проекты
Смесительная голова литьевой машины
Бункерный конвейер
Трансформаторные подстанции
FREELANCE.RU
Toggle navigation
Нанять фрилансера
Заказчику
Найти по специализации
Найти по услугам
Провести конкурс
Разместить задание
Виртуальный HR
Другое
Найти работу
Фрилансеру
Найти задание
Присоединиться к команде
Участвовать в конкурсе
Предложить услугу
Другое
Возможности
Для заказчика
Для фрилансера
Вход
Разместить задание
▲