люблю работать, ну что поделаешь

Юрий Прокофьев yyprok

Рейтинг: 50
не верифицирован
Всего отзывов: 0
  • Работ в портфолио: 10
  • Типовых услуг: 0
  • Работ на продажу: 0
Был на сайте:

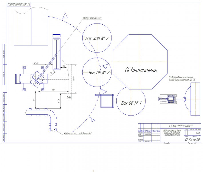
ППР на замену бака 300м3

Используемые навыки:

Описание

Проект производства работ составлен на замену бака двумя способами: рулонным методом и методом полистовой сборки.

Указана технология выполнения работ, последовательность, меры безопасности. Часть документов здесь не указана (требования безопасности и коммерческой тайны)

Ссылки на примеры реализации

 yyprok.wixsite.com/ingeneer/ppr-na-zamenu-baka-osv...

Презентация проекта

pic3083426.jpg
Схема монтажа обечаек.jpg

Оценили проект:

0