Рейтинг: 55
не верифицирован
Всего отзывов: 0
  • Работ в портфолио: 5
  • Типовых услуг: 0
  • Работ на продажу: 0
  • Возраст: 35 лет
  • Зарегистрирован: 21.04.2017
Был на сайте:

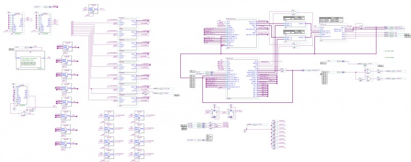
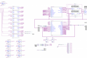
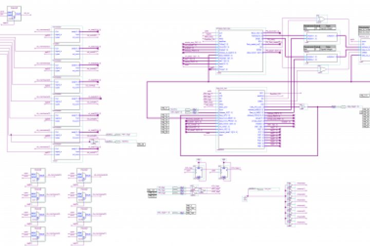
Программа для ПЛИС устройства сбора информации

Используемые навыки:

Описание

Приёмник 8 оптических сигналов с импульсно-кодовой модуляцией и периодом следования 5/20 мкс. Хранит измеренные значения в кольцевом буфере на 65635 значений по каждому каналу с настраиваемыми параметрами (частотой выборки, временем срабатывания триггера и др.). Выдаёт сигнал по интерфейсу Profinet/Ethernet, дополнительно имеет вэб-интерфейс для конфигурирования и просмотра измеренных значений и буфера.

Логика реализована на ПЛИС Altera Cyclone III и микроконтроллере ARM Ertec200 с операционной системой eCos.
Питание 24В.

Программа ПЛИС на языке VHDL в Quartus, программа микроконтроллера на С в Eclipse.

Презентация проекта

pic3131356.jpg

Оценили проект:

0