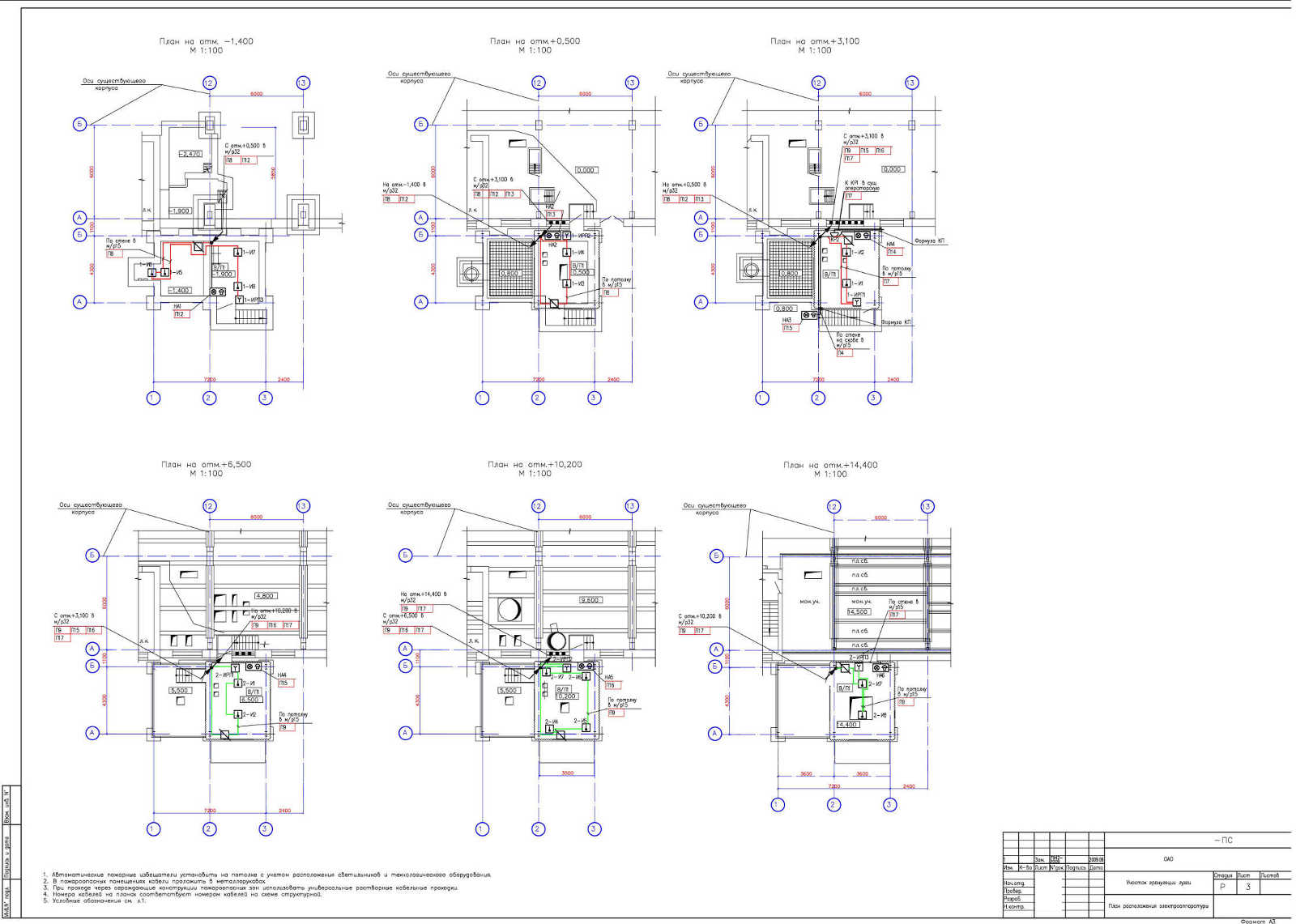
Пожарная сигнализация
Для полной функциональности этого сайта необходимо включить JavaScript.
Екатеринбург
На сайте с: 27.05.2017
Иван Науменко
ruseko-artur
Рейтинг: 46
не верифицирован
Всего отзывов:
0
Работ в портфолио:
6
Типовых услуг:
0
Работ на продажу:
0
Был на сайте:
2017-06-02 в 06:09
inbox
Предложить работу
Добавить в избранное
Добавить рекомендацию
Пожаловаться
Инженерия
9
0
Пожарная сигнализация
Используемые навыки:
Слаботочные системы
Описание
Решение
Результат
Соавторы
Презентация проекта
Примеры реализации
Описание
Презентация проекта
Оценили проект:
0
×
Оценили проект
×
Авторизация
Для того чтобы оценивать проекты, вам нужно войти на сайт
Другие проекты
Все проекты
Электроснабжение
Молниезащита
Пожарная сигнализация
FREELANCE.RU
Toggle navigation
Нанять фрилансера
Заказчику
Найти по специализации
Найти по услугам
Провести конкурс
Разместить задание
Виртуальный HR
Другое
Найти работу
Фрилансеру
Найти задание
Присоединиться к команде
Участвовать в конкурсе
Предложить услугу
Другое
Возможности
Для заказчика
Для фрилансера
Вход
Разместить задание
▲