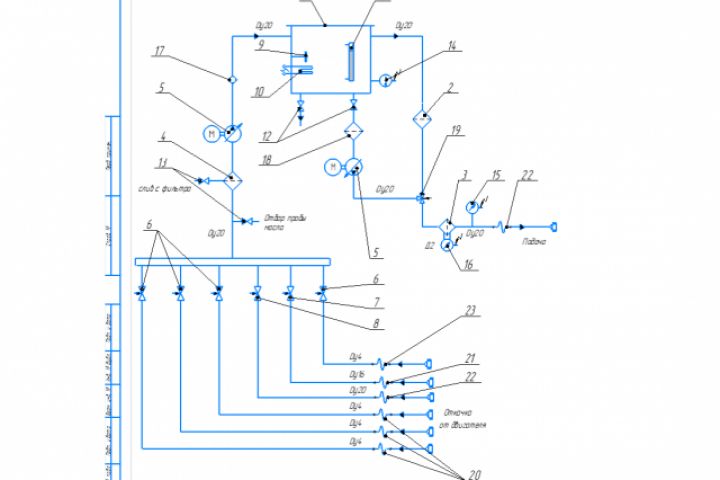
Принципиальная гидравлическая схема
Для полной функциональности этого сайта необходимо включить JavaScript.
Екатеринбург
41 год
На сайте с: 15.06.2017
Екатерина Кистойчева
kistoycheva_e_a
Рейтинг: 57
не верифицирован
Всего отзывов:
0
Работ в портфолио:
7
Типовых услуг:
0
Работ на продажу:
0
Была на сайте:
2017-06-30 в 06:50
inbox
Предложить работу
Добавить в избранное
Добавить рекомендацию
Пожаловаться
Инженерия
7
0
Принципиальная гидравлическая схема
Используемые навыки:
Чертежи/Схемы
Описание
Решение
Результат
Соавторы
Презентация проекта
Примеры реализации
Описание
Презентация проекта
Оценили проект:
0
×
Оценили проект
×
Авторизация
Для того чтобы оценивать проекты, вам нужно войти на сайт
Другие проекты
Все проекты
Стенд для измерения расхода
Проектирование установки
Гидрооборудование
FREELANCE.RU
Toggle navigation
Нанять фрилансера
Заказчику
Найти по специализации
Найти по услугам
Провести конкурс
Разместить задание
Другое
Найти работу
Фрилансеру
Найти задание
Присоединиться к команде
Участвовать в конкурсе
Другое
Возможности
Для заказчика
Для фрилансера
Вход
Разместить задание
▲