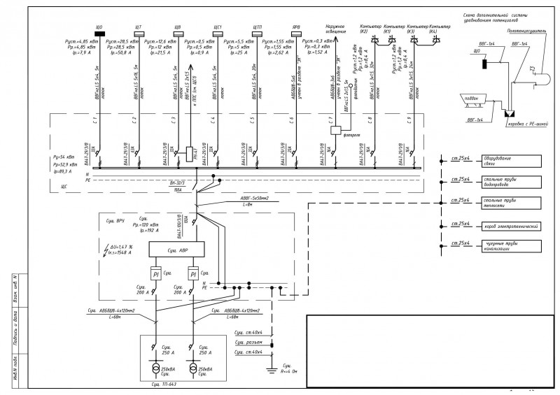
ЭМ - однолинейка
Для полной функциональности этого сайта необходимо включить JavaScript.
Минск
На сайте с: 23.04.2017
Пробьемся!
Паша Пашкевич
elektrosnabj
Рейтинг: 53
не верифицирован
Всего отзывов:
0
Работ в портфолио:
3
Типовых услуг:
0
Работ на продажу:
0
Был на сайте:
2017-07-02 в 23:03
inbox
Предложить работу
Добавить в избранное
Добавить рекомендацию
Пожаловаться
Инженерия
5
0
ЭМ - однолинейка
Используемые навыки:
Проектирование объектов
Описание
Решение
Результат
Соавторы
Презентация проекта
Примеры реализации
Описание
Презентация проекта
Оценили проект:
0
×
Оценили проект
×
Авторизация
Для того чтобы оценивать проекты, вам нужно войти на сайт
Другие проекты
Все проекты
ЭО
ЭМ
FREELANCE.RU
Toggle navigation
Нанять фрилансера
Заказчику
Найти по специализации
Найти по услугам
Провести конкурс
Разместить задание
Другое
Найти работу
Фрилансеру
Найти задание
Присоединиться к команде
Участвовать в конкурсе
Другое
Возможности
Для заказчика
Для фрилансера
Вход
Разместить задание
▲