Лучшее - развитие хорошего!

Макар Бурлаков makburlak

Рейтинг: 91
Паспорт верифицирован
Всего отзывов: 0
  • Работ в портфолио: 21
  • Типовых услуг: 2
  • Работ на продажу: 0
  • Возраст: 28 лет
  • Зарегистрирован: 05.01.2023
Был на сайте:

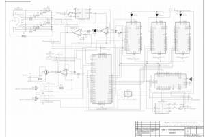
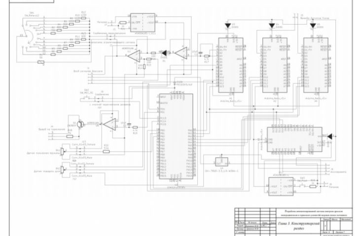
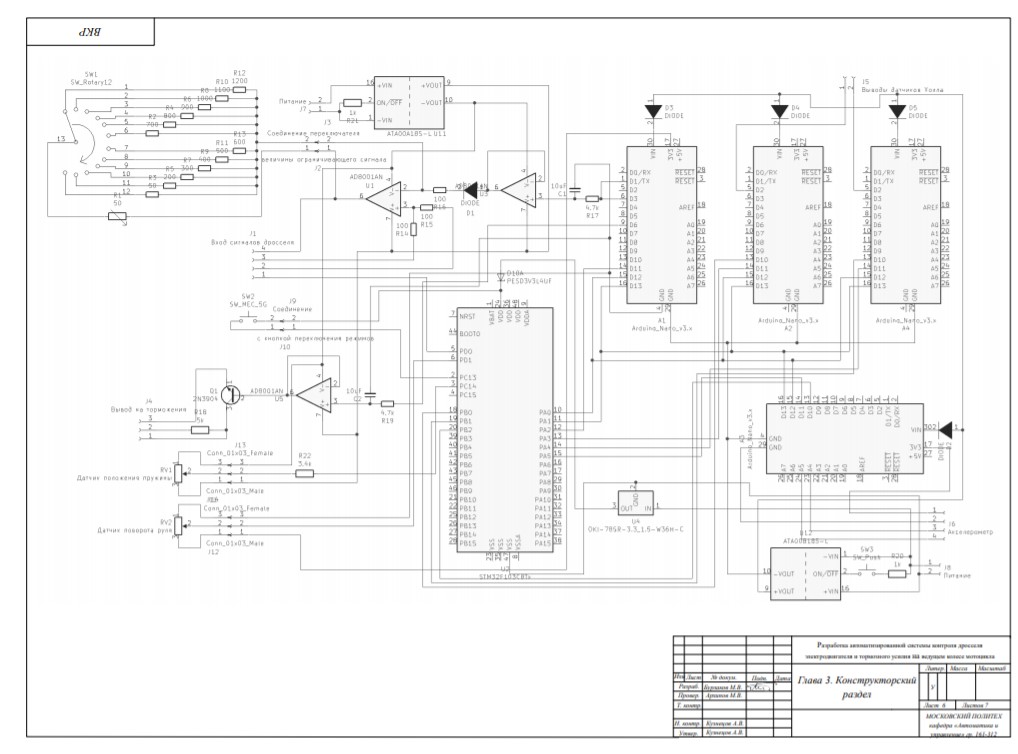
Принципиальная схема ЭБУ Трекшн-контроля электромотоцика

Используемые навыки:

Описание

Моя ВКР заключалась в разработке системы стабилизации и трекшн-контроля электромотоцикла MIG V Evo и системы Brake-by-wire для него же. В качестве примера здесь изображена принципиальная схема ЭБУ системы стабилизации, однако помимо электрических схем я также разработал блок-схемы алгоритмов работы системы и схему гидравлики Brake-by-wire. Презентация моей ВКР с основными элементами во вложении.

Презентация проекта

pic4390474.jpg

Оценили проект:

0