Доступное проектирование

cad4u

Рейтинг: 79
не верифицирован
Всего отзывов: 0
  • Работ в портфолио: 39
  • Типовых услуг: 0
  • Работ на продажу: 0
  • Зарегистрирован: 12.08.2017
Был на сайте:

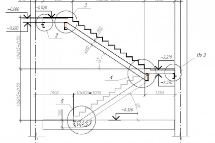
5x002-Проект монолитной железобетонной лестницы по металлическим

Используемые навыки:

Описание

Стадия: Рабочий проект
Реализация проекта: Проект реализован в Санкт-Петербурге
Разделы проекта:
КР - Конструктивные решения
Лестница: 1 этаж
Материал лестницы: Металл, монолитный железобетон

Ссылки на примеры реализации

 cad4u.ru/?product=5x002-%d0%bf%d1%80%d0%be%d0%b5%d...

Презентация проекта

pic3219894.jpg

Оценили проект:

0