Рейтинг: 73
не верифицирован
Всего отзывов: 0
  • Работ в портфолио: 3
  • Типовых услуг: 0
  • Работ на продажу: 0
Был на сайте:

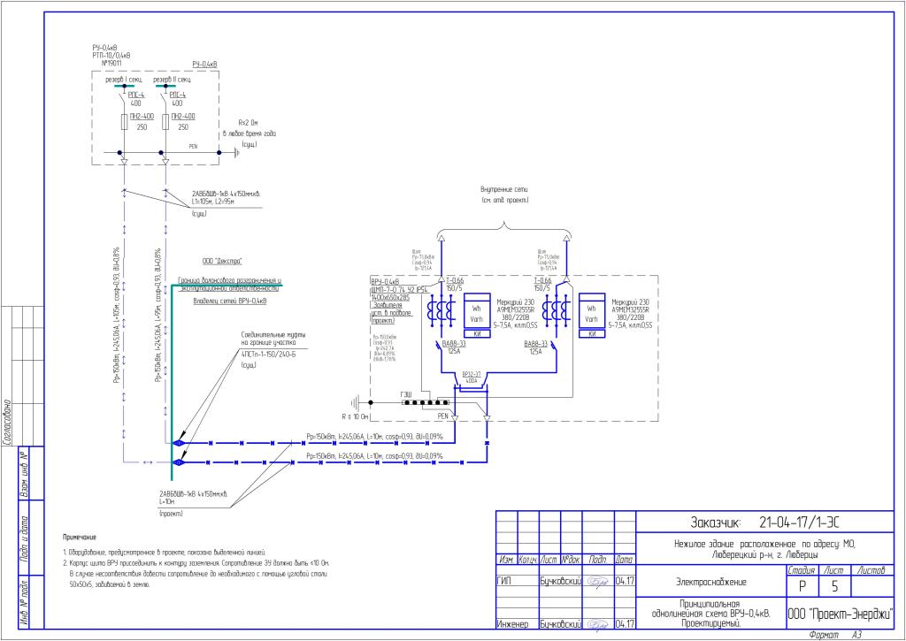
Подключение здания ВРУ-150кВт

Описание

Внешние электросети, подключение 150кВт

Ссылки на примеры реализации

 proekt-enerji.ru

Презентация проекта

pic3203810.jpg

Оценили проект:

0