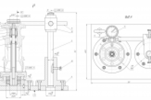
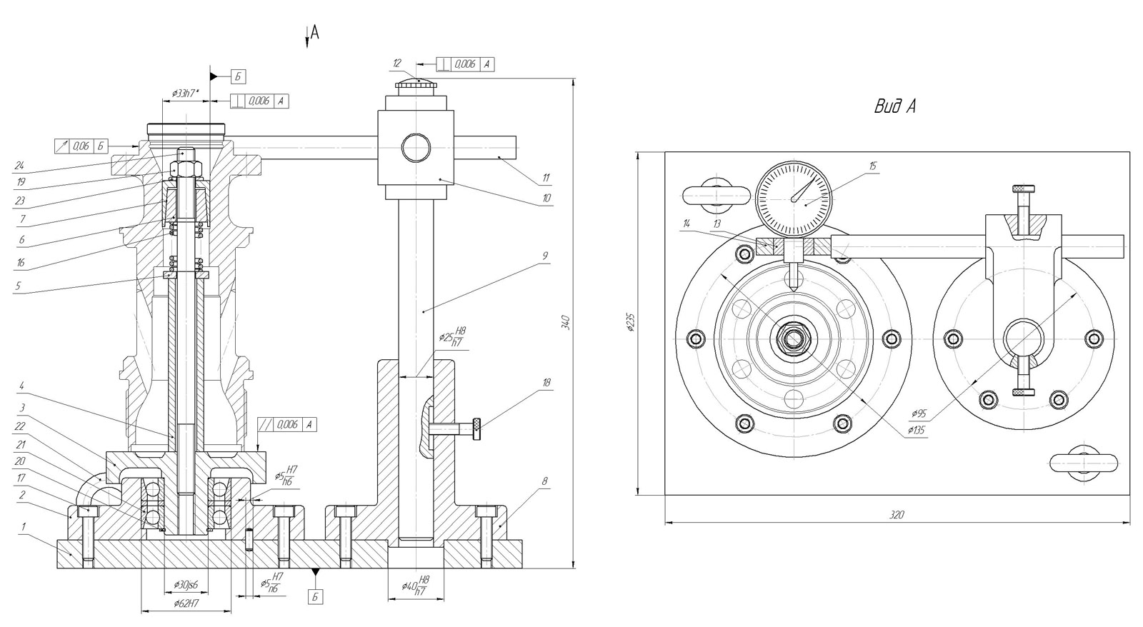
Контрольное приспособление
Для полной функциональности этого сайта необходимо включить JavaScript.
Елец
На сайте с: 19.03.2012
Елена Сканчибасова
Lina123f
Рейтинг: 66
не верифицирован
Всего отзывов:
0
Работ в портфолио:
6
Типовых услуг:
0
Работ на продажу:
0
Была на сайте:
2017-11-23 в 14:17
79513081821
inbox
Предложить работу
Добавить в избранное
Добавить рекомендацию
Пожаловаться
Инженерия
25
0
Контрольное приспособление
Используемые навыки:
Чертежи/Схемы
Описание
Решение
Результат
Соавторы
Презентация проекта
Примеры реализации
Описание
Индикатор
Презентация проекта
Оценили проект:
0
×
Оценили проект
×
Авторизация
Для того чтобы оценивать проекты, вам нужно войти на сайт
Другие проекты
Все проекты
Планировка помещения
Корпус привода
Планировка помещения
FREELANCE.RU
Toggle navigation
Нанять фрилансера
Заказчику
Найти по специализации
Найти по услугам
Провести конкурс
Разместить задание
Виртуальный HR
Другое
Найти работу
Фрилансеру
Найти задание
Присоединиться к команде
Участвовать в конкурсе
Другое
Возможности
Для заказчика
Для фрилансера
Вход
Разместить задание
▲