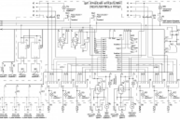
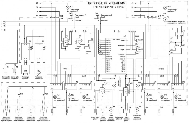
Щит управления
Для полной функциональности этого сайта необходимо включить JavaScript.
Минск
На сайте с: 27.04.2015
Andrei Smoleu
Smoleu
Рейтинг: 94
не верифицирован
Всего отзывов:
0
Работ в портфолио:
44
Типовых услуг:
0
Работ на продажу:
0
Был на сайте:
2017-11-23 в 14:30
inbox
Предложить работу
Добавить в избранное
Добавить рекомендацию
Пожаловаться
Инженерия
34
0
Щит управления
Используемые навыки:
Чертежи/Схемы
Описание
Решение
Результат
Соавторы
Презентация проекта
Примеры реализации
Описание
Ссылки на примеры реализации
smoleu.wix.com/russ#!acs/c1px
Презентация проекта
Оценили проект:
0
×
Оценили проект
×
Авторизация
Для того чтобы оценивать проекты, вам нужно войти на сайт
Другие проекты
Все проекты
Конструирование технологического оборудования
Дизайн-проект дилерского центра "ГАЗ"
Проектирование, конструирование нестандартного оборудования
FREELANCE.RU
Toggle navigation
Нанять фрилансера
Заказчику
Найти по специализации
Найти по услугам
Провести конкурс
Разместить задание
Другое
Найти работу
Фрилансеру
Найти задание
Присоединиться к команде
Участвовать в конкурсе
Другое
Возможности
Для заказчика
Для фрилансера
Вход
Разместить задание
▲