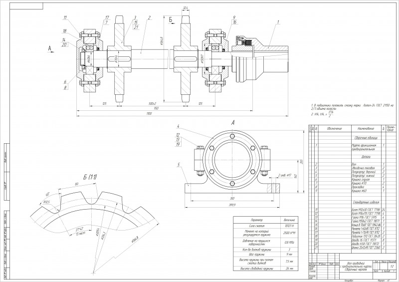
Вал приводной
Для полной функциональности этого сайта необходимо включить JavaScript.
Пермь
На сайте с: 22.03.2015
Константин Климин
Kostik_59
Рейтинг: 97
не верифицирован
Всего отзывов:
0
Активность:
Работ в портфолио:
7
Типовых услуг:
0
Работ на продажу:
0
Был на сайте:
2017-11-23 в 19:01
inbox
Предложить работу
Добавить в избранное
Добавить рекомендацию
Пожаловаться
Инженерия
9
0
Вал приводной
Используемые навыки:
Чертежи/Схемы
Описание
Решение
Результат
Соавторы
Презентация проекта
Примеры реализации
Описание
Детали машин
Презентация проекта
Оценили проект:
0
×
Оценили проект
×
Авторизация
Для того чтобы оценивать проекты, вам нужно войти на сайт
Другие проекты
Все проекты
Курсовая - металлореущий инструмент
Кланан - Solidworks
Чертеж к курсовой - теплообменик
FREELANCE.RU
Toggle navigation
Нанять фрилансера
Заказчику
Найти по специализации
Найти по услугам
Провести конкурс
Разместить задание
Другое
Найти работу
Фрилансеру
Найти задание
Присоединиться к команде
Участвовать в конкурсе
Другое
Возможности
Для заказчика
Для фрилансера
Вход
Разместить задание
▲