Кто хочет, тот добьется!

Владимир Тураев Vladimir_Turaev

Рейтинг: 89
не верифицирован
Всего отзывов: 0
  • Активность:
  • Работ в портфолио: 9
  • Типовых услуг: 0
  • Работ на продажу: 0
Был на сайте:

Схема комбинированная

Используемые навыки:

Описание

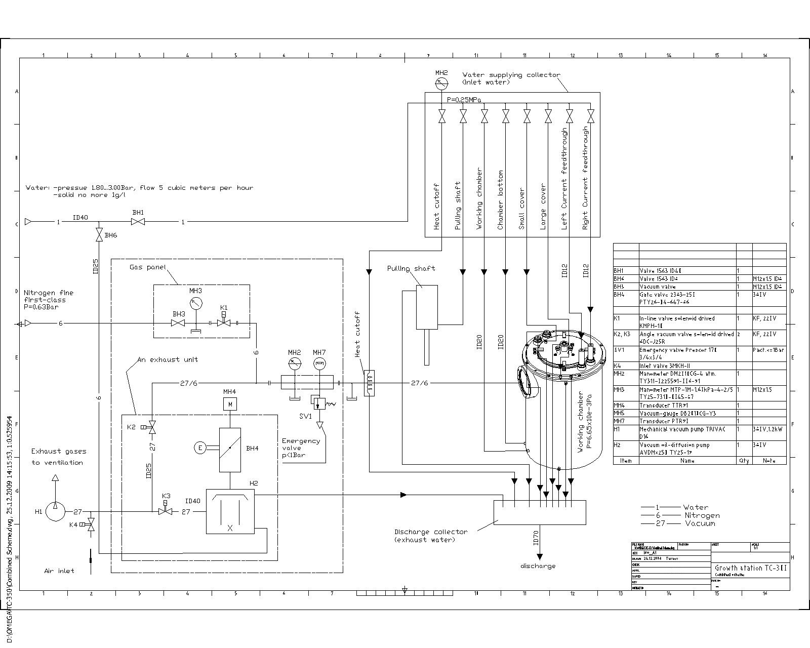
Гидропневматическая комбинированная схема установки для выращивания монокристаллов лейкосапфира.

Презентация проекта

pic1730312.jpg

Оценили проект:

0