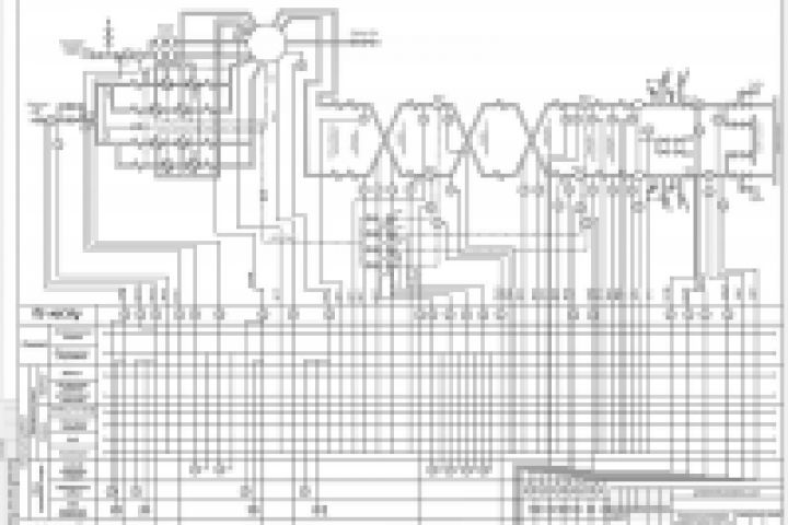
Функциональная схема паро-водяного тракта ТЭС
Для полной функциональности этого сайта необходимо включить JavaScript.
Москва
На сайте с: 17.04.2017
Для студента дёшево!
Александр
alex_shema
Рейтинг: 53
не верифицирован
Всего отзывов:
0
Работ в портфолио:
13
Типовых услуг:
0
Работ на продажу:
0
Был на сайте:
2017-12-23 в 13:52
inbox
Вконтакте
Предложить работу
Добавить в избранное
Добавить рекомендацию
Пожаловаться
Инженерия
20
0
Функциональная схема паро-водяного тракта ТЭС
Используемые навыки:
Чертежи/Схемы
Описание
Решение
Результат
Соавторы
Презентация проекта
Примеры реализации
Описание
Презентация проекта
Оценили проект:
0
×
Оценили проект
×
Авторизация
Для того чтобы оценивать проекты, вам нужно войти на сайт
Другие проекты
Все проекты
3D модель храпового механизма
3D модель здания
3D модель храпового механизма
FREELANCE.RU
Toggle navigation
Нанять фрилансера
Заказчику
Найти по специализации
Найти по услугам
Провести конкурс
Разместить задание
Виртуальный HR
Другое
Найти работу
Фрилансеру
Найти задание
Присоединиться к команде
Участвовать в конкурсе
Другое
Возможности
Для заказчика
Для фрилансера
Вход
Разместить задание
▲