Рейтинг: 76
не верифицирован
Всего отзывов: 0
  • Работ в портфолио: 6
  • Типовых услуг: 0
  • Работ на продажу: 0
  • Возраст: 33 года
  • Зарегистрирован: 03.01.2018
Была на сайте:

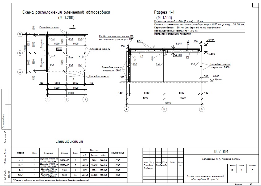
Автосервис 12м х 12м

Используемые навыки:

Описание

Выполнен расчёт металлического каркаса здания автосервиса размерами в плане 12м х 12м (шаг колонн 6 на 6 м). Расчёт балок покрытия (по системе балочная клетка), ригеля и стоек. Выполнен раздел АС, КР.

Презентация проекта

pic3324119.jpg
автосервис2.jpg

Оценили проект:

0