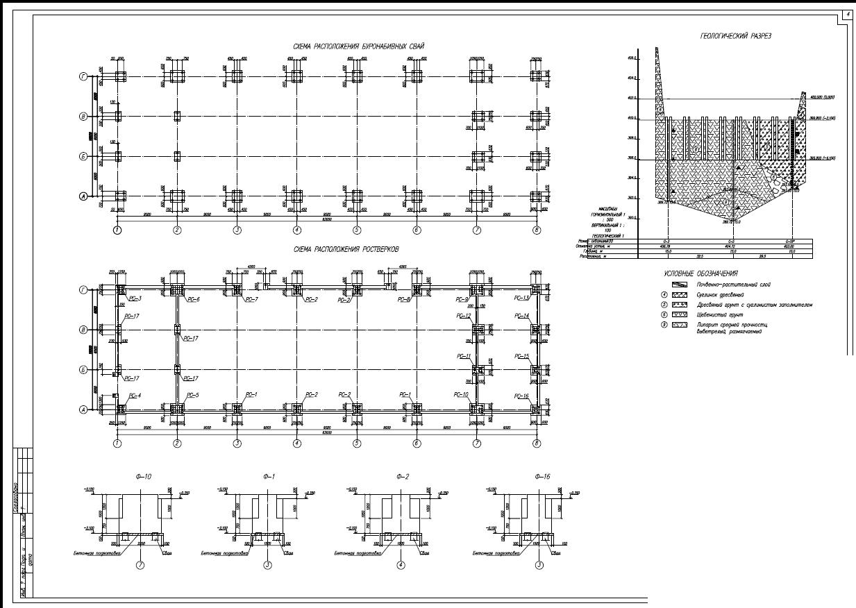
Фундамент промышленного здания
Для полной функциональности этого сайта необходимо включить JavaScript.
Новосибирск
На сайте с: 21.02.2014
Александр Милютин
Alex_Rush
Рейтинг: 562
не верифицирован
Всего отзывов:
4
0
Выполнил заданий:
4
Нейросаммари
Активность:
Работ в портфолио:
54
Типовых услуг:
2
Работ на продажу:
0
Образование:
Cпециалитет
Стаж работы:
12 лет
Тип занятости:
Полный фриланс
Юридический статус:
Самозанятый
Был на сайте:
2025-12-27 в 20:05
inbox
ablen90@mail.ru
Вконтакте
Предложить работу
Добавить в избранное
Добавить рекомендацию
Пожаловаться
Инженерия
56
0
Фундамент промышленного здания
Используемые навыки:
Проектирование объектов
Описание
Решение
Результат
Соавторы
Презентация проекта
Примеры реализации
Описание
Презентация проекта
Оценили проект:
0
×
Оценили проект
×
Авторизация
Для того чтобы оценивать проекты, вам нужно войти на сайт
Другие проекты
Все проекты
Визуализация стеновых панелей
Визуализация сауны
Японская баня фурако
FREELANCE.RU
Toggle navigation
Нанять фрилансера
Заказчику
Найти по специализации
Найти по услугам
Провести конкурс
Разместить задание
Другое
Найти работу
Фрилансеру
Найти задание
Присоединиться к команде
Участвовать в конкурсе
Другое
Возможности
Для заказчика
Для фрилансера
Вход
Разместить задание
▲