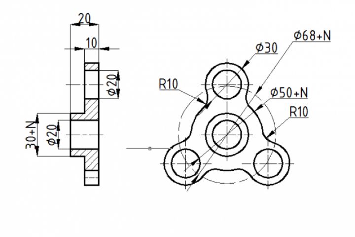
Деталь
Для полной функциональности этого сайта необходимо включить JavaScript.
Караганда
33 года
На сайте с: 02.08.2017
Должен значит можешь
Кристина Кабанникова
Kristy_kris_ty
Рейтинг: 167
не верифицирован
Всего отзывов:
1
0
Выполнила заданий:
1
Активность:
Работ в портфолио:
9
Типовых услуг:
0
Работ на продажу:
0
Была на сайте:
2018-01-25 в 07:50
inbox
jkristina940@gmail.com
Предложить работу
Добавить в избранное
Добавить рекомендацию
Пожаловаться
Инженерия
6
0
Деталь
Используемые навыки:
Чертежи/Схемы
Описание
Решение
Результат
Соавторы
Презентация проекта
Примеры реализации
Описание
Презентация проекта
Оценили проект:
0
×
Оценили проект
×
Авторизация
Для того чтобы оценивать проекты, вам нужно войти на сайт
Другие проекты
Все проекты
Деталь
Деталь
Деталь
FREELANCE.RU
Toggle navigation
Нанять фрилансера
Заказчику
Найти по специализации
Найти по услугам
Провести конкурс
Разместить задание
Другое
Найти работу
Фрилансеру
Найти задание
Присоединиться к команде
Участвовать в конкурсе
Другое
Возможности
Для заказчика
Для фрилансера
Вход
Разместить задание
▲