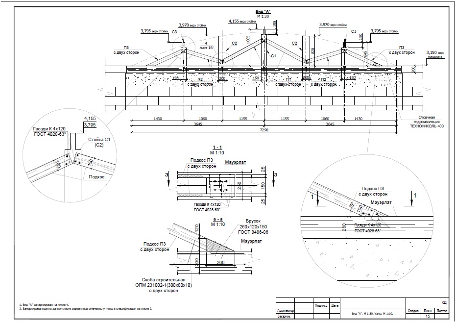
Загородный дом. Конструкция камышовой крыши.
Для полной функциональности этого сайта необходимо включить JavaScript.
На сайте с: 16.01.2018
Анна Никитина
annanikitina174
Рейтинг: 91
не верифицирован
Всего отзывов:
0
Работ в портфолио:
31
Типовых услуг:
0
Работ на продажу:
0
Была на сайте:
2018-03-10 в 08:28
8-977-934-06-01
inbox
iscosova@mail.ru
Предложить работу
Добавить в избранное
Добавить рекомендацию
Пожаловаться
Инженерия
6
0
Загородный дом. Конструкция камышовой крыши.
Используемые навыки:
Проектирование объектов
Описание
Решение
Результат
Соавторы
Презентация проекта
Примеры реализации
Описание
Презентация проекта
Оценили проект:
0
×
Оценили проект
×
Авторизация
Для того чтобы оценивать проекты, вам нужно войти на сайт
Другие проекты
Все проекты
Дачный дом. Купол достархана из гипсокартонных листов "КНАУФ"...
Беседка с хозблоком и барбекю
Дачный дом с гаражом. Планы
FREELANCE.RU
Toggle navigation
Нанять фрилансера
Заказчику
Найти по специализации
Найти по услугам
Провести конкурс
Разместить задание
Собрать команду
Другое
Найти работу
Фрилансеру
Найти задание
Присоединиться к команде
Участвовать в конкурсе
Другое
Возможности
Для заказчика
Для фрилансера
Вход
Разместить задание
▲