Зарядная станция
Для полной функциональности этого сайта необходимо включить JavaScript.
Харьков
Проекты электроснабжения. Качественно, надежно, выгодно.
Дмитрий Туник
ProjectEM
Рейтинг: 180
не верифицирован
Всего отзывов:
2
0
Выполнил заданий:
2
Работ в портфолио:
100
Типовых услуг:
0
Работ на продажу:
0
Возраст:
41 год
Зарегистрирован:
12.02.2013
Был на сайте:
2018-04-04 в 15:40
Предложить работу
Добавить в избранное
Добавить рекомендацию
Пожаловаться
Инженерия
41
0
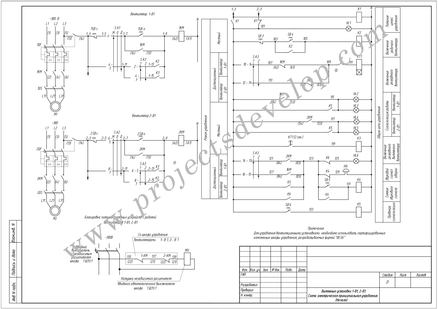
Зарядная станция
Используемые навыки:
Электроснабжение
Описание
Решение
Результат
Соавторы
Презентация проекта
Примеры реализации
Описание
Ссылки на примеры реализации
projectsdevelop.com
Презентация проекта
Оценили проект:
0
×
Оценили проект
×
Авторизация
Для того чтобы оценивать проекты, вам нужно войти на сайт
Другие проекты
Все проекты
Автосалон с зоной СТО
Ангар для ВС
Завод по производству моющих средств
FREELANCE.RU
Toggle navigation
Нанять фрилансера
Заказчику
Найти по специализации
Найти по услугам
Провести конкурс
Разместить задание
Виртуальный HR
Найти студию
Другое
Найти работу
Фрилансеру
Найти задание
Присоединиться к команде
Участвовать в конкурсе
Предложить услугу
Другое
Возможности
Для заказчика
Для фрилансера
Вход
Разместить задание
▲