Техническое перевооружение квартальных тепловых сетей (здание ЦТ
Для полной функциональности этого сайта необходимо включить JavaScript.
Ижевск
47 лет
На сайте с: 07.02.2017
Андрей Волков
Izhevchanin
Рейтинг: 84
не верифицирован
Всего отзывов:
0
Работ в портфолио:
14
Типовых услуг:
0
Работ на продажу:
0
Был на сайте:
2018-04-18 в 14:53
inbox
Предложить работу
Добавить в избранное
Добавить рекомендацию
Пожаловаться
Инженерия
35
0
Техническое перевооружение квартальных тепловых сетей (здание ЦТ
Используемые навыки:
Проектирование объектов
Описание
Решение
Результат
Соавторы
Презентация проекта
Примеры реализации
Описание
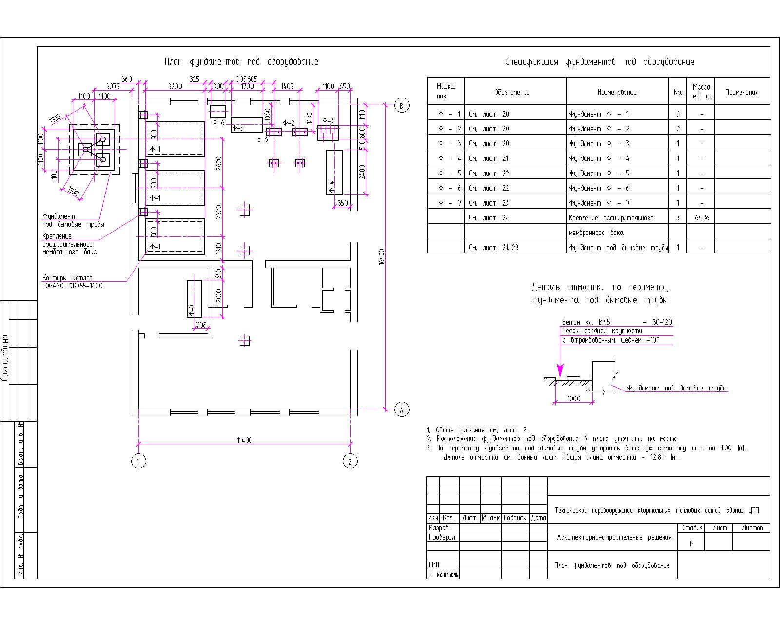
План фундаментов под оборудование.
Презентация проекта
Оценили проект:
0
×
Оценили проект
×
Авторизация
Для того чтобы оценивать проекты, вам нужно войти на сайт
Другие проекты
Все проекты
Техническое перевооружение квартальных тепловых сетей (здание ЦТ
В "пятиминутки скуки".
Детский оздоровительный лагерь (гостиница)
FREELANCE.RU
Toggle navigation
Нанять фрилансера
Заказчику
Найти по специализации
Найти по услугам
Провести конкурс
Разместить задание
Другое
Найти работу
Фрилансеру
Найти задание
Присоединиться к команде
Участвовать в конкурсе
Другое
Возможности
Для заказчика
Для фрилансера
Вход
Разместить задание
▲