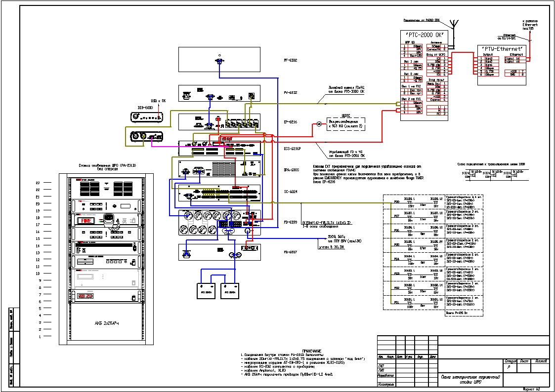
Схема подключений стойки речевого оповещения
Для полной функциональности этого сайта необходимо включить JavaScript.
На сайте с: 28.03.2013
Сергей Копыльцов
onsvet
Рейтинг: 56
не верифицирован
Всего отзывов:
0
Опубликовал заданий:
3
Работ в портфолио:
6
Типовых услуг:
0
Работ на продажу:
0
Был на сайте:
2018-04-18 в 20:21
Предложить работу
Добавить в избранное
Добавить рекомендацию
Пожаловаться
Инженерия
20
0
Схема подключений стойки речевого оповещения
Используемые навыки:
Слаботочные системы
Описание
Решение
Результат
Соавторы
Презентация проекта
Примеры реализации
Описание
Презентация проекта
Оценили проект:
0
×
Оценили проект
×
Авторизация
Для того чтобы оценивать проекты, вам нужно войти на сайт
Другие проекты
Все проекты
Структурированная кабельная система
Схема электрическая подключений АУПС
Схема структурная АУПС и СОУЭ
FREELANCE.RU
Toggle navigation
Нанять фрилансера
Заказчику
Найти по специализации
Найти по услугам
Провести конкурс
Разместить задание
Другое
Найти работу
Фрилансеру
Найти задание
Присоединиться к команде
Участвовать в конкурсе
Другое
Возможности
Для заказчика
Для фрилансера
Вход
Разместить задание
▲