Рейтинг: 56
не верифицирован
Всего отзывов: 0
Опубликовал заданий: 3
  • Работ в портфолио: 6
  • Типовых услуг: 0
  • Работ на продажу: 0
  • Зарегистрирован: 28.03.2013
Был на сайте:

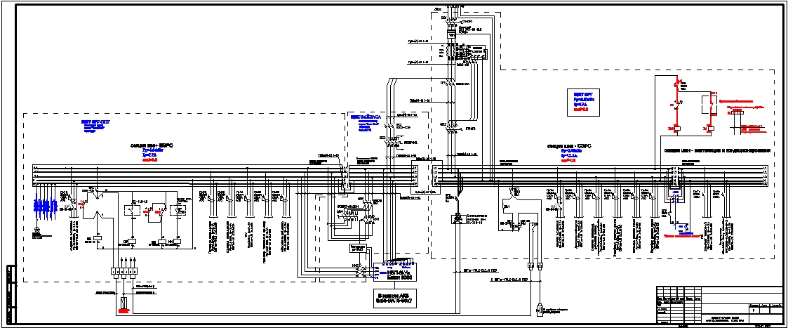
Схема электрическая принципиальная ВРУ

Используемые навыки:

Описание

Задача в соответствии с ФЗ-123 выполнить схему ВРУ при наличии 1 ввода питания. В схеме имеется ИБП с щитом внешнего байпаса, щит ППУ ВРУ. Реализована схема управления аварийным освещением (в ручном и автоматическом от АУПС режимах), отключение вентиляции.

Презентация проекта

pic2074193.jpg

Оценили проект:

0