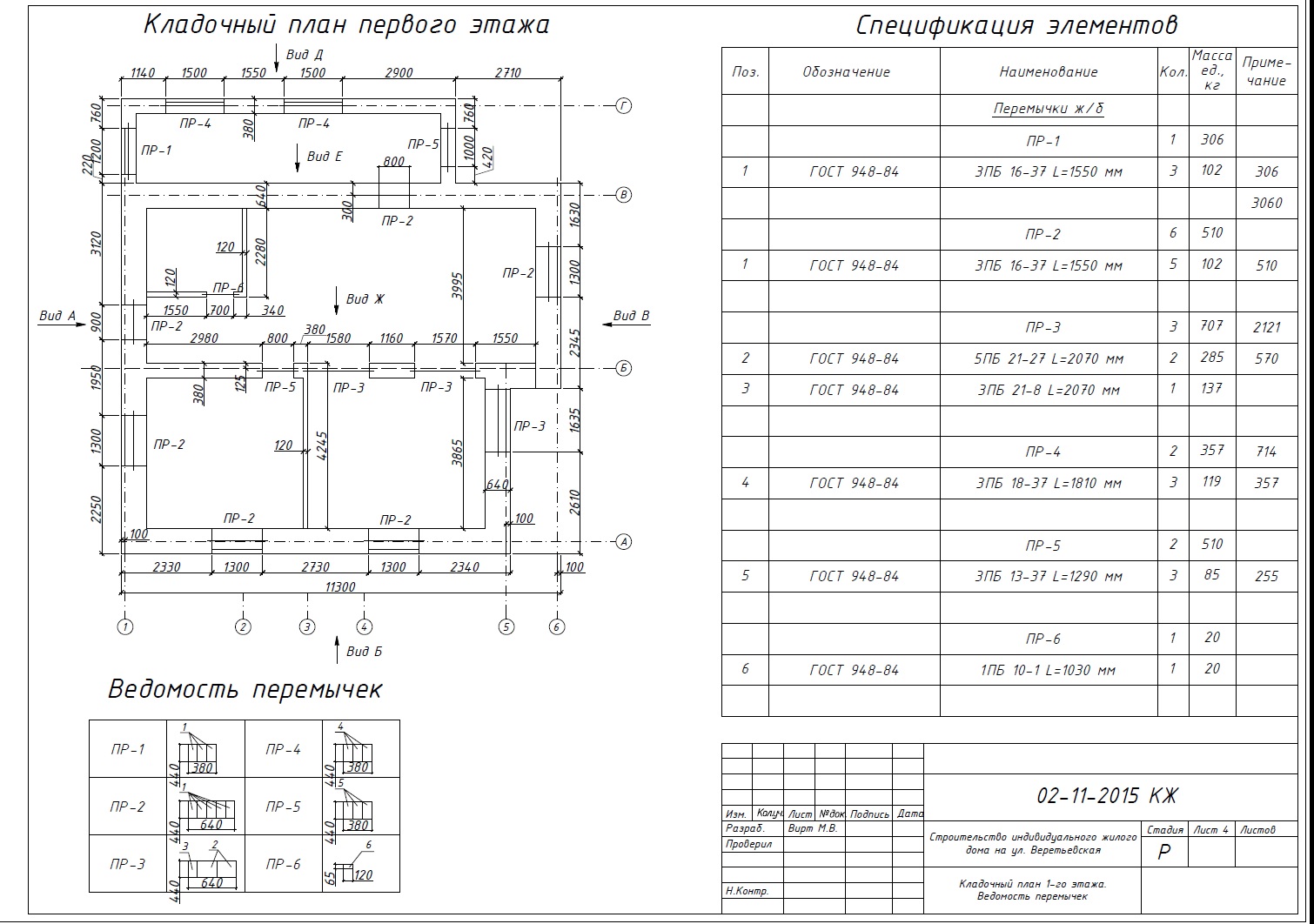
Кладочный план жилого дома
Для полной функциональности этого сайта необходимо включить JavaScript.
Рыбинск
На сайте с: 01.11.2016
ООО "Строй-микс"
max-wirt88
Рейтинг: 48
не верифицирован
Всего отзывов:
0
Работ в портфолио:
8
Типовых услуг:
0
Работ на продажу:
0
Был на сайте:
2018-04-24 в 15:23
inbox
Предложить работу
Добавить в избранное
Добавить рекомендацию
Пожаловаться
Инженерия
12
0
Кладочный план жилого дома
Используемые навыки:
Проектирование объектов
Описание
Решение
Результат
Соавторы
Презентация проекта
Примеры реализации
Описание
Презентация проекта
Оценили проект:
0
×
Оценили проект
×
Авторизация
Для того чтобы оценивать проекты, вам нужно войти на сайт
Другие проекты
Все проекты
Проект производства работ
Колонна
Сметная документация
FREELANCE.RU
Toggle navigation
Нанять фрилансера
Заказчику
Найти по специализации
Найти по услугам
Провести конкурс
Разместить задание
Виртуальный HR
Другое
Найти работу
Фрилансеру
Найти задание
Присоединиться к команде
Участвовать в конкурсе
Другое
Возможности
Для заказчика
Для фрилансера
Вход
Разместить задание
▲