Ваша трудность — это моя проблема.

Даниил Варнавский kabakaris

Рейтинг: 75
не верифицирован
Всего отзывов: 0
  • Работ в портфолио: 5
  • Типовых услуг: 0
  • Работ на продажу: 0
Был на сайте:

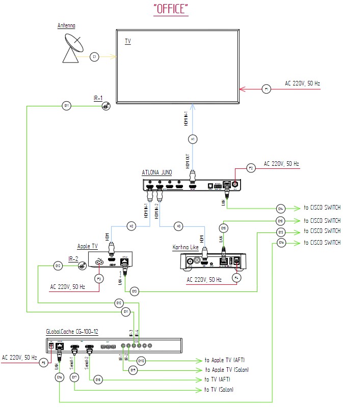
Функциональная схема оборудования

Используемые навыки:

Описание

Функциональная схема оборудования для системы мультирум на частной яхте.

Презентация проекта

pic3478575.jpg

Оценили проект:

0